EasyManua.ls Logo

ESAB ESP-400C - Page 97

ESAB ESP-400C
120 pages
Print Icon
To Next Page IconTo Next Page
To Next Page IconTo Next Page
To Previous Page IconTo Previous Page
To Previous Page IconTo Previous Page
Loading...
SECTION 6 Troubleshooting
ESP 400C and 600C Plasma Power Sources
6-59
1
2
3
4
5
6
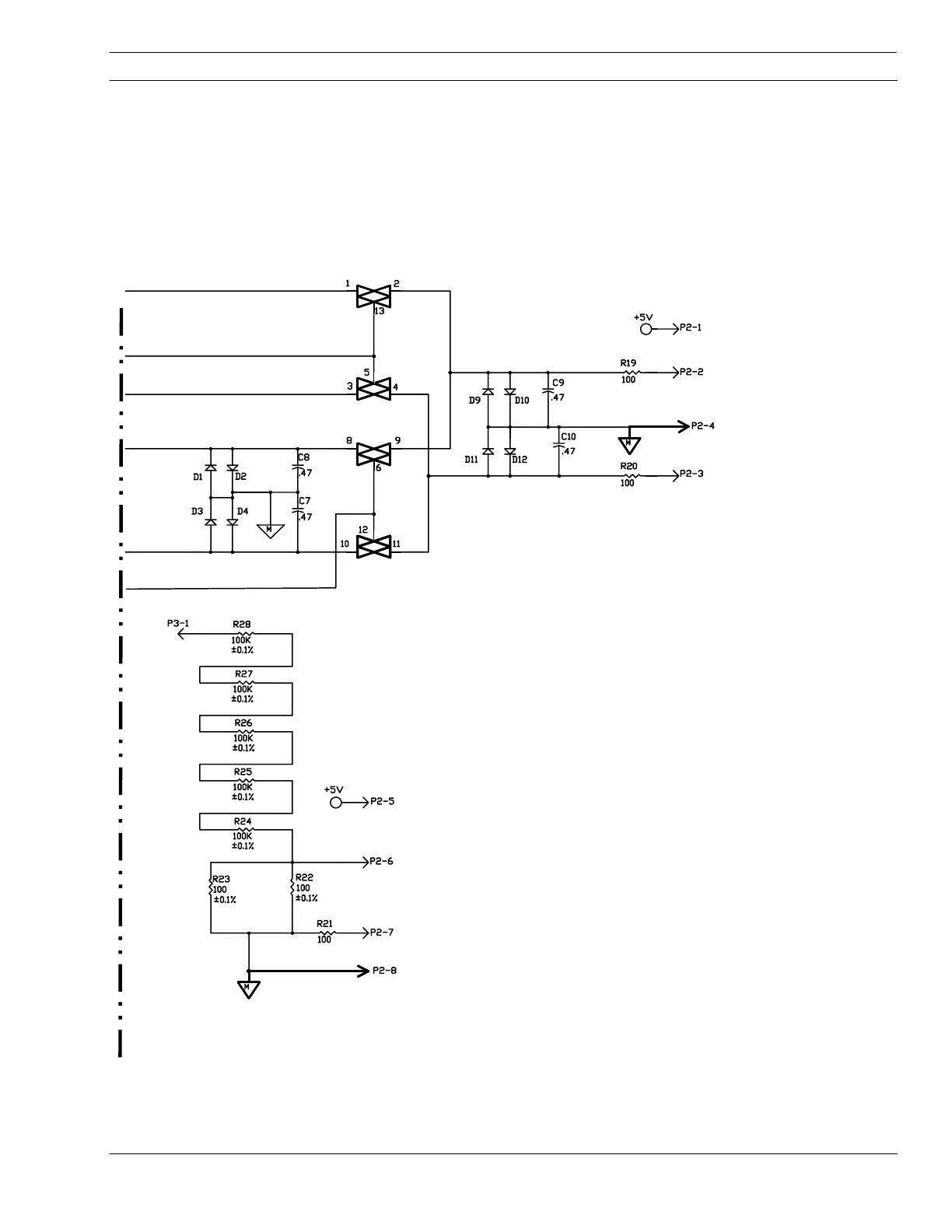
6.10 PCB Digital Meter Board (PCB4-P/N 38139) Drawing 2 Part 2

Table of Contents

Related product manuals