EasyManua.ls Logo

ESAB ESP-400C - Page 99

ESAB ESP-400C
120 pages
Print Icon
To Next Page IconTo Next Page
To Next Page IconTo Next Page
To Previous Page IconTo Previous Page
To Previous Page IconTo Previous Page
Loading...
SECTION 6 Troubleshooting
ESP 400C and 600C Plasma Power Sources
6-61
TP15
R05
IN
D15
IN
D19
10
#
ZD4
Q8
TP34
C30
1000
D17
7912
REG4
H
OUT
D18
LEAVE OFF BOARD#
LED5
+
R54
3.32K
-12H
10K
R58
IGBT 3
TP33
1000
C29
REG3
7815
D16
OUT
D14
3.32K
+
LED4
R53
R56
2
1
IC09
1K
E
E
#
2.2
1W
R07
#
2.2
1W
630V
.033
C51
R06
ZD6
ZD5
G
E
E
ZD3
R57
15K
+15H
R15
C03
IGBT 2
IGBT 1
2.2
1W
ZD2
Q4
#
R03
2.2
2.2
#
1W
1W
R04
D20
1W
Q5
G
P3-1
E
E
ZD1
TP01
2.2
R02
#
1
W
R01
˜+1.25V
.10
G
RAMP
˜-5.OV
v
t
POWER CONNECTIONS FOR IC1
R14
4
10
-15Z
IC01
7
-
+
34001
10
Z
.47
.47
C04
C05
C50
10K
R11
TP02
Z
R30
100 Q1
20K
POT6
10K
R10
+
3.3
10K
IC01
3
+
R81
10K
-
2
34001
6
22.1K
R16
SPAN
CW
POT2
10K
D07
R80
+15Z
POSITION
1.0
P5-3
P5-2
TP14
+15Z
20V
20V
~
~
.10
2W 1.0
C02
-
R09
2W
Z
BR1
+
.10
C01
P5-1
R08
LED2
-15Z
7
POWER CONNECTIONS FOR IC5
34001
+
IC05
-
10
-15Z
.47
.47
C15
4
R27
Z
7915
+15Z
D06
REG2
IN
TP10
C16
R28
10
OUT
3.32K
LED1
3.32K
+15Z
REG1
7815
D02
D05
1000
C08
+
1000
C07
+
TP08
IN
D03
C09
D01
+
D04
+
C10
3.3
R12
3.3
OUT
R13
TP07
Z
1
2
3
5
6
7
8
9
10
4
11
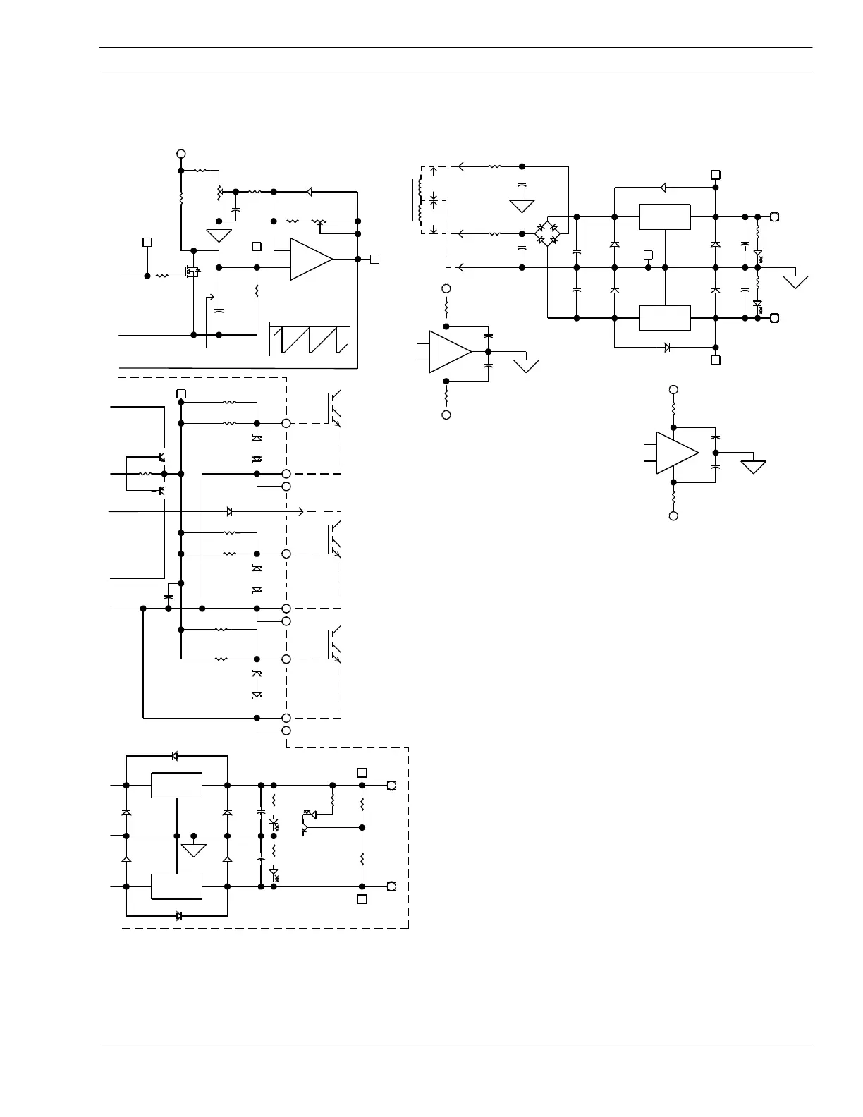
6.11 IGBT Driver Board (PCB2,3 – P/N 38030) Drawing 1 Part 2

Table of Contents

Related product manuals