EasyManua.ls Logo

Eutectic+Castolin TotalARC 2 3000 - Page 135

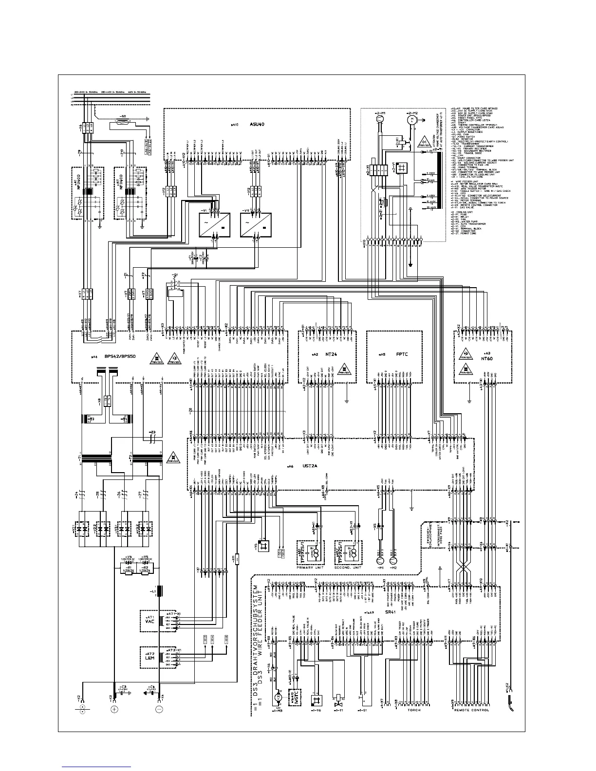
Eutectic+Castolin TotalARC 2 3000
Print Icon
To Next Page IconTo Next Page
To Next Page IconTo Next Page
To Previous Page IconTo Previous Page
To Previous Page IconTo Previous Page
Loading...
TotalArc² 4000 / 5000 Dual Voltage

Related product manuals