EasyManua.ls Logo

EVIQO EVIPOWER - 2. Product Introduction and Data Sheet; 2.1 Basic Interface

EVIQO EVIPOWER
37 pages
Print Icon
To Next Page IconTo Next Page
To Next Page IconTo Next Page
To Previous Page IconTo Previous Page
To Previous Page IconTo Previous Page
Loading...
CAUTION: Avoid placing the charger near hot objects and at high temperature
locations and away from dangerous substances such as flammable gases and
corrosive materials. Do not install EVIQO Smart EV Charger near flammable,
combustible or explosive materials.
CAUTION: Do not put heavy objects on the charger to avoid danger.
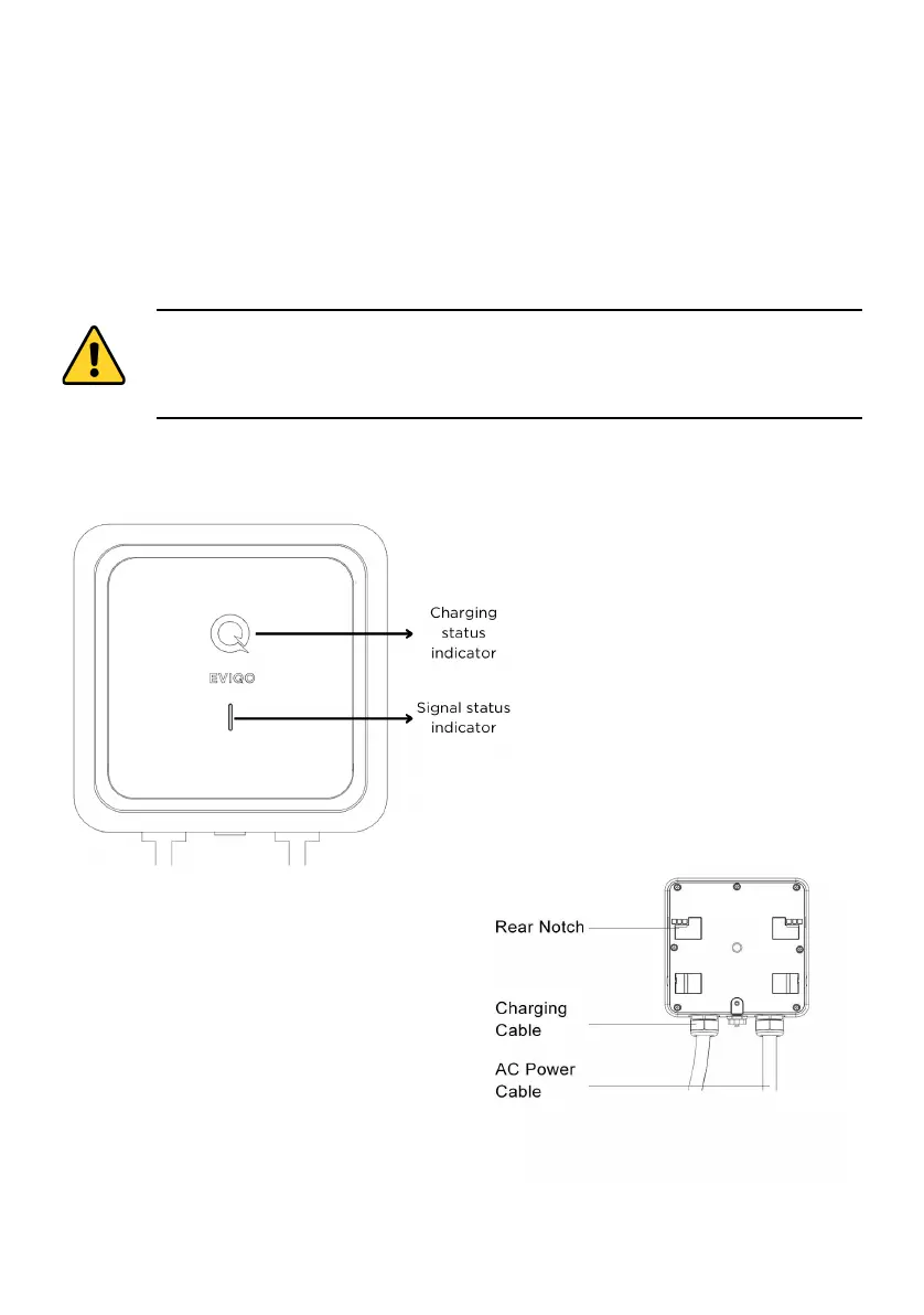
2. Product Introduction and Data Sheet
IMPORTANT: Please make sure to read this Installation Guide before
the installation. Make sure you understand how the device works and its
basic interface. EVIQO Smart EV Charger must be installed by a
licensed electrician.
2.1 Basic Interface
11