EasyManua.ls Logo

EWM KLE - 9 Circuit Diagrams; Calibration Device (KLE)

EWM KLE
28 pages
Print Icon
To Next Page IconTo Next Page
To Next Page IconTo Next Page
To Previous Page IconTo Previous Page
To Previous Page IconTo Previous Page
Loading...
Circuit diagrams
Calibration device (KLE)
099-008060-EW501
19.02.2013
25
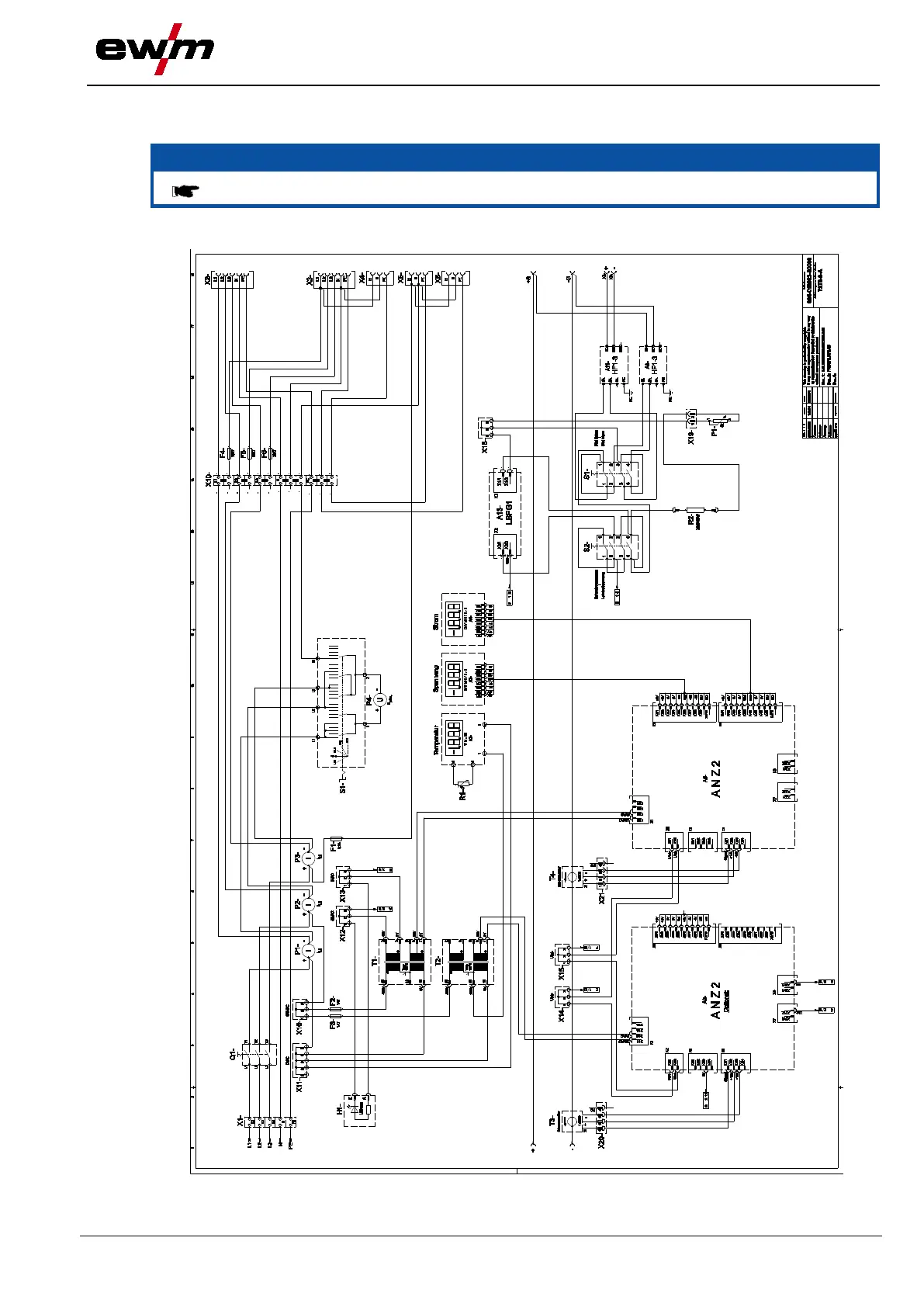
9 Circuit diagrams
NOTE
Original format circuit diagrams are located inside the machine.
9.1 Calibration device (KLE)
Figure 9-1