EasyManua.ls Logo

EWM KLE - Load Simulation Unit (LS 600 A)

EWM KLE
28 pages
Print Icon
To Next Page IconTo Next Page
To Next Page IconTo Next Page
To Previous Page IconTo Previous Page
To Previous Page IconTo Previous Page
Loading...
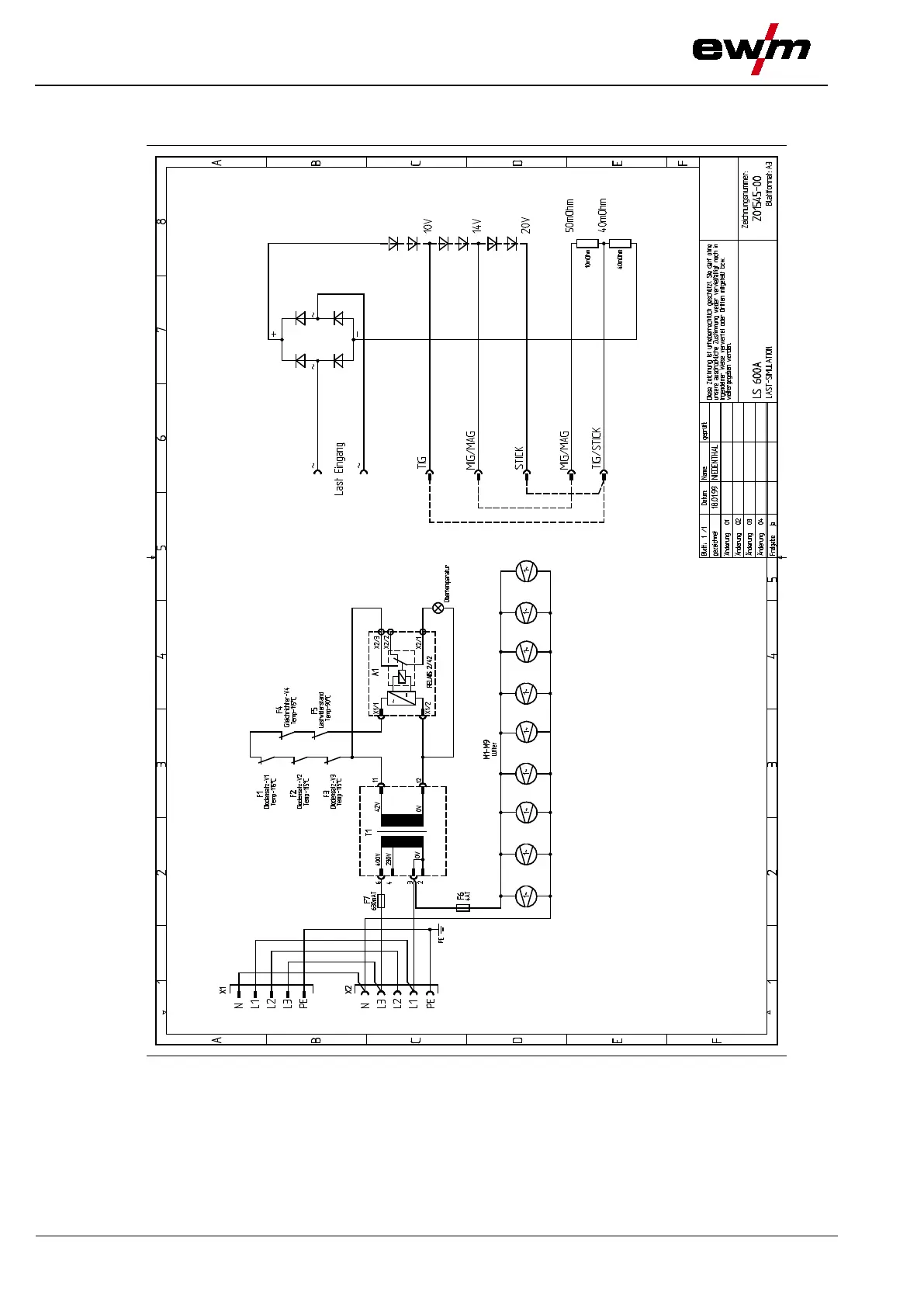
Circuit diagrams
Load simulation unit (LS 600 A)
26
099-008060-EW501
19.02.2013
9.2 Load simulation unit (LS 600 A)
Figure 9-2