EasyManua.ls Logo

Exmark VH3615KA - 9 Hydraulic Diagram

Exmark VH3615KA
44 pages
Print Icon
To Next Page IconTo Next Page
To Next Page IconTo Next Page
To Previous Page IconTo Previous Page
To Previous Page IconTo Previous Page
Loading...
- 35 -
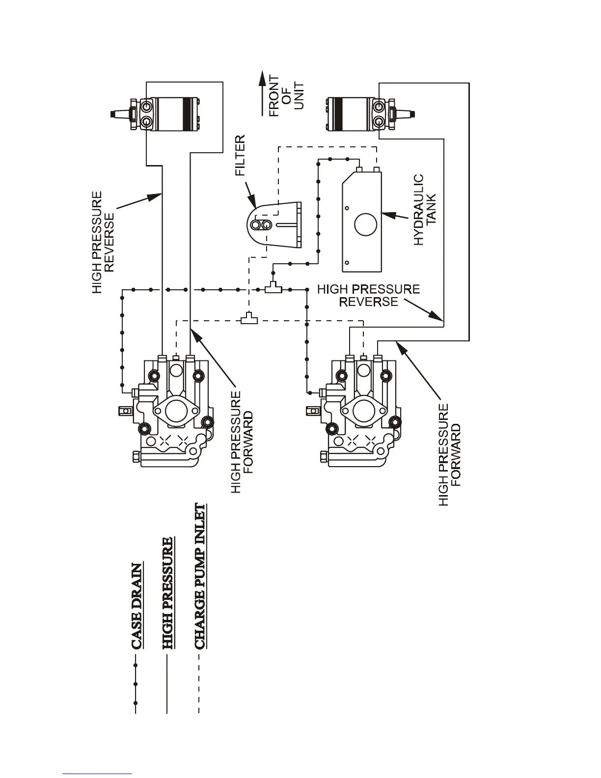
9. HYDRAULIC DIAGRAM

Related product manuals