EasyManua.ls Logo

Falcon 1990 - Hollow Metal Door Preparation; Hollow Metal Door Lock Stile Preparation; Hollow Metal Door Hinge Stile Preparation

Falcon 1990
8 pages
Print Icon
To Previous Page IconTo Previous Page
To Previous Page IconTo Previous Page
Loading...
© Allegion 2016
Printed in U.S.A.
4270101871 Rev. 12/16-e
Customer Service
1-877-671-7011 www.allegion.com/us
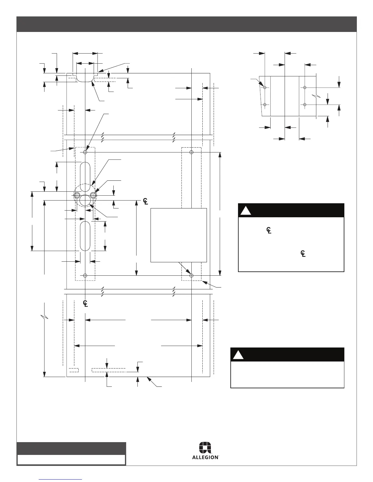
HOLLOW METAL DOOR PREPARATION
7/8"
7/8"
3/4"
1/2"
5/8"
5/8"
#10-32
thru
4 places
Top view of door
(bottom view of door is typical)
NOTE
!
Top and Bottom
Latch Bracket
Door Preparation
1-1/4"
7/8"
7/16"
1/8"
1-1/2"
7/16"
1/4"
3"
3-13/16"
6-1/4"
1/2"
41-5/16"
to
bottom
of door
E
See note
F
See note
1/4" R
D
See note
E
Face of
door stop
Face of door stop
Bottom of door
9/16"
dia.
ream
Cutout on inside face only
#9 (0.196" dia.)
thru inside face
1/4-20 tap, 2 places
Hinge StileLock Stile
1-1/2"
Face of
door stop
1-3/16" dia. thru
outside face for
rim cylinder
15/64" dia. c'sink
with 5/16" dia.
tool, 2 places
device
Surface Mounting
#9 (0.196" dia.)
thru inside face
1/4-20 tap, 2 places
Thru Bolting
1/4" dia. thru inside
face, 13/32" dia. thru
outside face, 2 places
device
1/4"
3/16"
1/4"
3/16"
Reinforcing for
device to be
supplied by door
manufacturer as
shown
NOTES
!
D: Dimension from door stop face to
housing is 3/4" minimum for
medium and wide stiles.
E and F: Dimension from door stop face
same as "D" or can vary to suit door
conditions.
to top or bottom latch can be the
Reinforcement in head jamb for top
strike is 3/16" minimum. Reinforcement
in stile for panic device is 1/8" minimum.
13/16"
13/16"

Related product manuals