EasyManua.ls Logo

Falcon 90 Induction - Fan Oven Circuit Diagram

Falcon 90 Induction
40 pages
Print Icon
To Next Page IconTo Next Page
To Next Page IconTo Next Page
To Previous Page IconTo Previous Page
To Previous Page IconTo Previous Page
Loading...
35
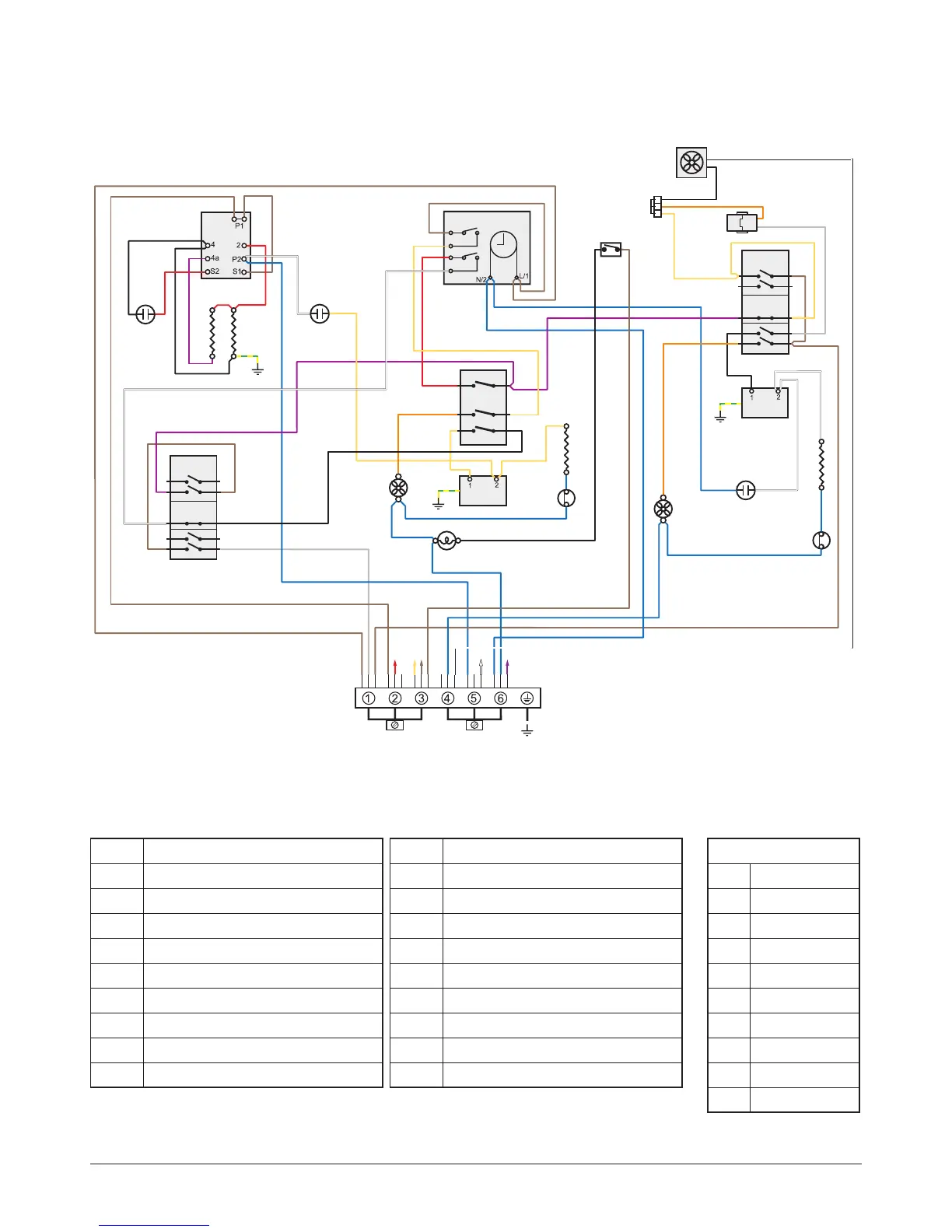
Circuit Diagram: Fan Oven
Key
The connections shown in the circuit diagram are for single-phase. The ratings are for 240V 50Hz.
ArtNo.080-0064 90 induction (oven) circuit diagram
P1
P3
1
P2 2
P1 1
3
P4
4
P095199
1
2
1
P1
P1
P2
P1
P3
1
P2 2
P1 1
3
P4
4
P033458
P033458
b
b
br
w
b
b
v
br
br
br
br
bk
r
v
bk
r r
v
bk
r
w
b
br br
br
w
y
br
y
r
w
b
br
b
br
r
o
y
y
y
y
bk
y
v
v
y
o
g/y
b
b
b
br
y
br
r
br
br
gr
br
b
b
bk
br
gr
bk
w
bk
y
y
br
y
br
br
gr
o
v
bk
bk
g/y
w
w
w
b
w
b
b
b b
o
br
w
g/y
o
bk
o
y
br
w
v
r
gr
bk
w
L N
A1
A2
A3
J
J
B4
B1
B2
D
H
B3
G1
G2
C4
J
H
C3
C1
C2
F
K
Multi-pin
plug
Code Description
A1 Grill energy regulator
A2 Grill front switch
A3 Grill elements
B1 Left-hand zoned oven thermostat
B2 Left-hand oven thermostat front switch
B3 Left-hand oven element
B4 Left-hand oven fan
C1 Right-hand oven thermostat
C2 Right-hand oven thermostat front switch
Code Description
C3 Right-hand oven element
C4 Right-hand oven fan
D Clock
F Cooling fan
G1 Oven light switch
G2 Oven light
H Thermal cut-out
J Neon
K Connection block
Colour Code
b Blue
br Brown
bk Black
or Orange
r Red
v Violet
w White
y Yellow
g/y Green/yellow
gr Grey
A

Related product manuals