EasyManua.ls Logo

Fantech PB110L7 - Wiring Diagrams; Troubleshooting; Maintenance Instructions

Fantech PB110L7
20 pages
Print Icon
To Next Page IconTo Next Page
To Next Page IconTo Next Page
To Previous Page IconTo Previous Page
To Previous Page IconTo Previous Page
Loading...
5
fantech
Troubleshooting
If fan fails to operate, please check the following:
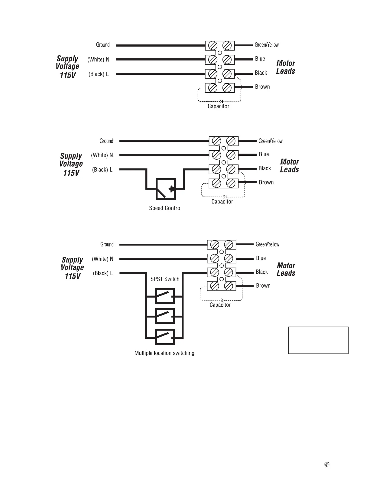
1. Consult wiring diagrams (above) to ensure proper connection.
2. Check motor lead wiring, capacitor leads and incoming supply leads to
insure definite contact.
3. If possible, use a meter to test for continuity across the fan motor
leads. In order to do this, the capacitor must be disconnected (do not
test the capacitor - it will not meter continuity). If motor leads show
continuity, consult factory for a replacement capacitor.
Maintenance Instructions
Since fan bearings are sealed and provided with an internal lubricating
material, no additional lubrication is necessary.
Multiple Location Switching Wiring Diagram
With Motor Speed Controller
Without Motor Speed Controller
WARNING
Maximum torque that can be
applied to the terminal block
screws is 0.79 Nm (7 lb-in).
Wiring Diagrams

Related product manuals