EasyManua.ls Logo

Fantech SHR 2004 - Installation Examples; Fully Dedicated System Installation

Fantech SHR 2004
44 pages
Print Icon
To Next Page IconTo Next Page
To Next Page IconTo Next Page
To Previous Page IconTo Previous Page
To Previous Page IconTo Previous Page
Loading...
17
fantech
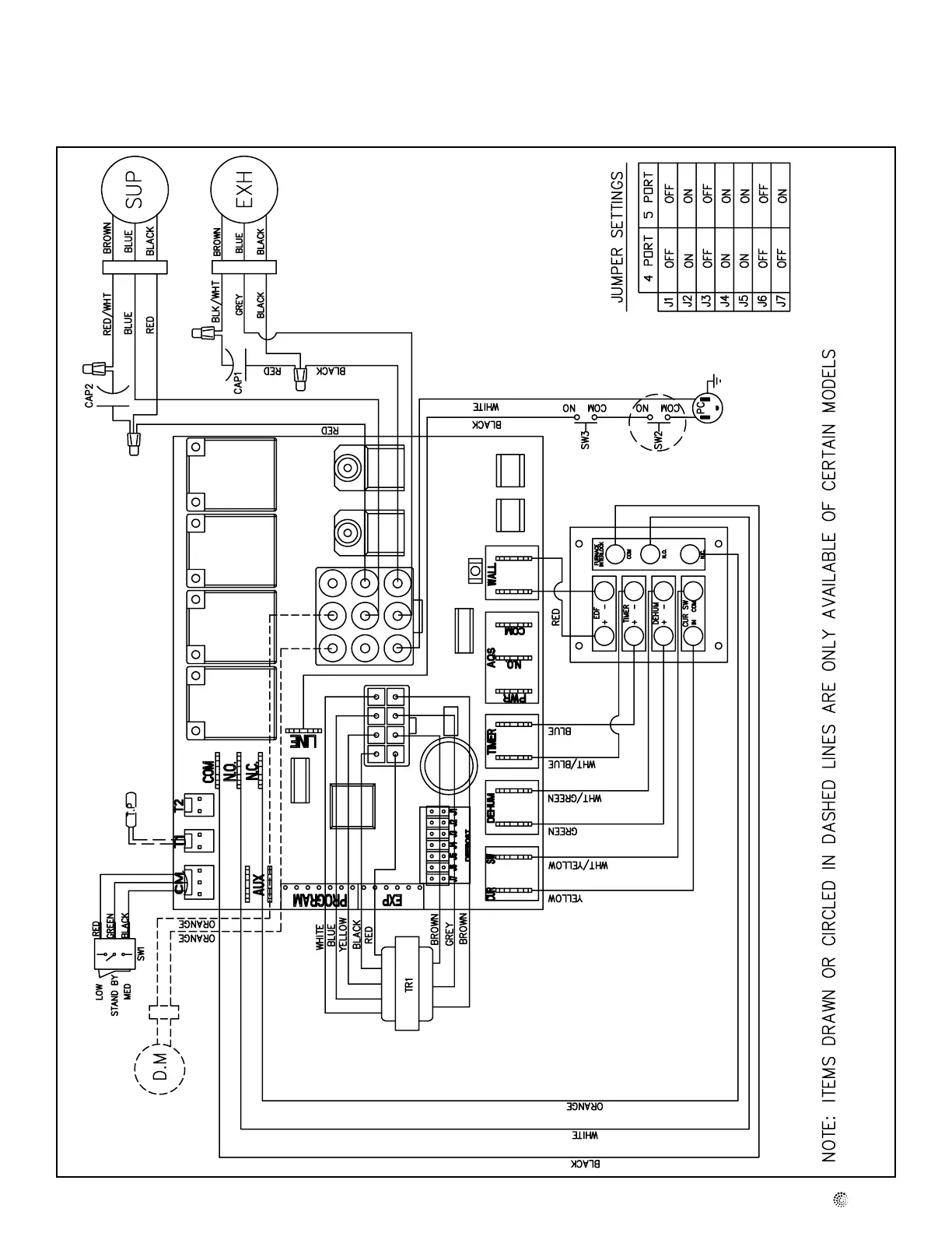
Electrical connections


Table of Contents

Other manuals for Fantech SHR 2004

Related product manuals