EasyManua.ls Logo

Fantech SHR 2004 - Installation Examples (Continued); Simplified Installation - Option 1

Fantech SHR 2004
44 pages
Print Icon
To Next Page IconTo Next Page
To Next Page IconTo Next Page
To Previous Page IconTo Previous Page
To Previous Page IconTo Previous Page
Loading...
19
fantech
W
R
G
C
Y
W
R G
Y
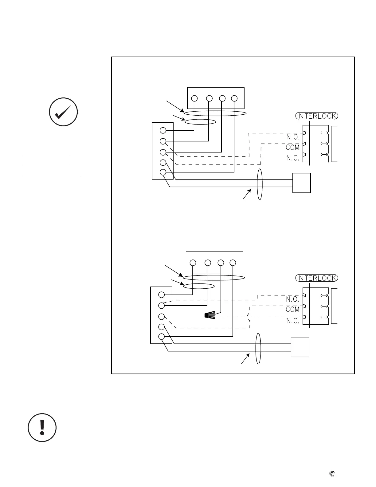
Standard Furnace Interlock Wiring
THERMOSTAT
TERMINALS
FURNACE
24-VOLT
TERMINAL BLOCK
FOUR
WIRE
TWO WIRE
heating only
TWO
WIRE
COOLING SYSTEM
W
R
G
C
Y
W
R G
Y
Alternate Furnace Interlock Wiring
THERMOSTAT
TERMINALS
FURNACE
24-VOLT
TERMINAL BLOCK
FOUR
WIRE
TWO WIRE
heating only
TWO
WIRE
COOLING SYSTEM
WIRE JOINT
Electrical connections
ELECTRICAL
CONNECTION TO
FURNACE
FOR A FURNACE
CONNECTION TO
A COOLING SYSTEM:
On some older thermostats, energizing
the R and G terminals at the furnace
has the effect of energizing Y at the
thermostat and thereby turning on
the cooling system. If you identify this
type of thermostat, you must use the
“Alternate Furnace Interlock Wiring”.
Standard Accessory Control Contact
Alternative Accessory Control Contact
Never connect a 120 volt AC circuit to the terminals of the Accessory Control Contacts. Only use
the low voltage class 2 circuit of the furnace blower control.

Table of Contents

Other manuals for Fantech SHR 2004

Related product manuals