EasyManua.ls Logo

Fantech SHR6904 - Page 37

Fantech SHR6904
48 pages
Print Icon
To Next Page IconTo Next Page
To Next Page IconTo Next Page
To Previous Page IconTo Previous Page
To Previous Page IconTo Previous Page
Loading...
37
W
R
G
C
Y
W
R G
Y
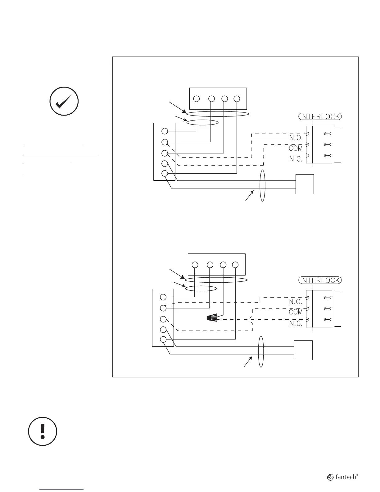
Standard Furnace Interlock Wiring
THERMOSTAT
TERMINALS
FURNACE
24-VOLT
TERMINAL BLOCK
FOUR
WIRE
TWO WIRE
heating only
TWO
WIRE
COOLING SYSTEM
W
R
G
C
Y
W
R G
Y
Alternate Furnace Interlock Wiring
THERMOSTAT
TERMINALS
FURNACE
24-VOLT
TERMINAL BLOCK
FOUR
WIRE
TWO WIRE
heating only
TWO
WIRE
COOLING SYSTEM
WIRE JOINT
SCHÉMAS ÉLECTRONIQUES (SUITE)
CONNEXION ÉLECTRIQUE
À UNE FOURNAISE
DANS LE CAS D'UNE
FOURNAISE RACCORDÉE À
UN SYSTÈME DE
REFROIDISSEMENT
Sur certaines nouvelles fournaises, et
certains thermostats plus anciens,
l’excitation des bornes R et G de
la fournaise provoque l’excitation
de la borne Y du thermostat et
conséquemment la mise sous tension
du système de refroidissement. Si
votre système est muni d’un tel type
de thermostat, vous devez respecter le
câblage de verrouillage de la fournaise
secondaire.
Câblage standard de synchronisation avec une fournaise
Contact de commande des accessoires secondaires
Ne raccordez jamais un courant alternatif de 120V aux bornes de synchronisation de la fournaise. N'utilisez que le
conduit basse tension de classe 2 de la commande du ventilateur de la fournaise.
BORNES DU
TERMINALS
QUATRE FILS
DEUX FILS
chauffage seulement
DEUX FILS
SYSTÈME DE
REFROIDISSEMENT
BORNIER DE 24 V
DE LA FOURNAISE
BORNES DU
TERMINALS
QUATRE FILS
DEUX FILS
chauffage seulement
DEUX FILS
SYSTÈME DE
REFROIDISSEMENT
BORNIER DE 24 V
DE LA FOURNAISE
Joint de ls