EasyManua.ls Logo

FARFISA INTERCOMS Mody Series - Page 37

Default Icon
50 pages
Print Icon
To Next Page IconTo Next Page
To Next Page IconTo Next Page
To Previous Page IconTo Previous Page
To Previous Page IconTo Previous Page
Loading...
35
8 GbD-02
G2 7
AD
C+
+
P3
P4
P2
P1
7
5
6
3
2
1
P2
P4
P3
P1
7
5
6
3
2
1
P1
P4
P3
P2
7
5
6
3
2
1
P4
P3
P2
P1
7
5
6
3
2
1
P4
P3
P2
P1
7
5
6
3
2
1
CT4
+SP
+RS
CT5
+SP
+RS
CT3
+SP
+RS
CT2
+SP
+RS
CT1
+SP
+RS
4
3
2
1
xn
x4
x3
x2
230V
0
127V
AL
SE
1
2
3
4
PE
xn
x2
MD
PA
Mody
Intercommunicating
Gegensprechanlagen
Si 220/5
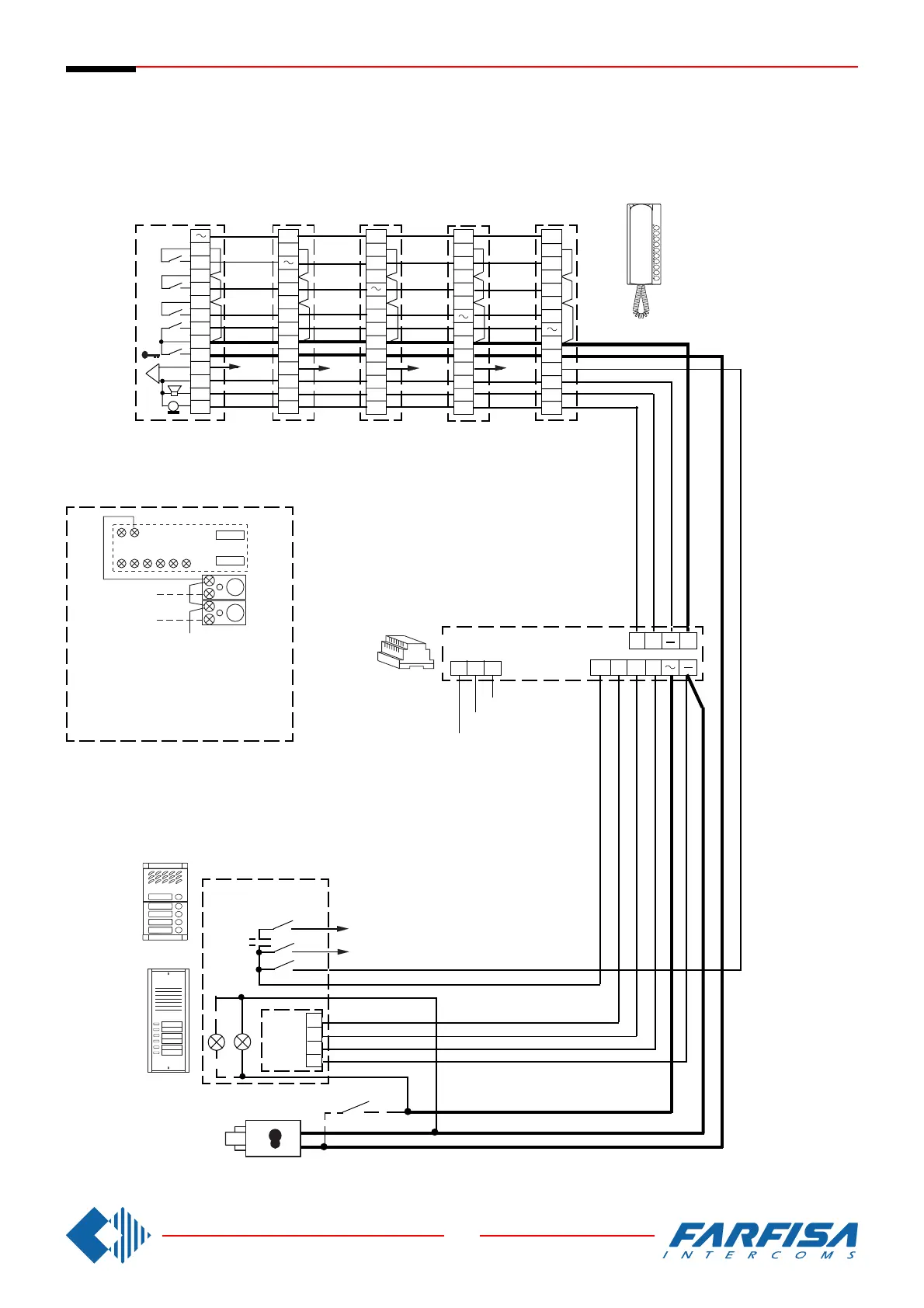
5 INTERCOMMUNICATING INTERCOMS CONNECTED TO A DOOR STATION
WITH INDIVIDUAL CALL AND ELECTRONIC BELL FOR INTERNAL CALLS.
MEHRFAMILlENHAUS SPRECHANLAGE MIT 5 HAUSTELEFONE, EINER TÜRSTATION
UND INTERNEN GEGENSPRECHVERKEHR MlT ELEKTRONISCHEM KLANGRUF FÜR
INTERNRUFE.
In all intercoms connect one of the two
terminals of the single button unit to
terminal 7.
In allen Haustelefonen muß eine der
Anschlußklemmen der Zusatztasten mit
der Klemme 7 verbunden werden.
ErreP/R
9 7
2315P16
P2
P3

Related product manuals