EasyManua.ls Logo

FARFISA INTERCOMS Mody Series - Si 22 MR;1 Intercoms Connected to Two Door Stations Series

Default Icon
50 pages
Print Icon
To Previous Page IconTo Previous Page
To Previous Page IconTo Previous Page
Loading...
48
8 GbD-02
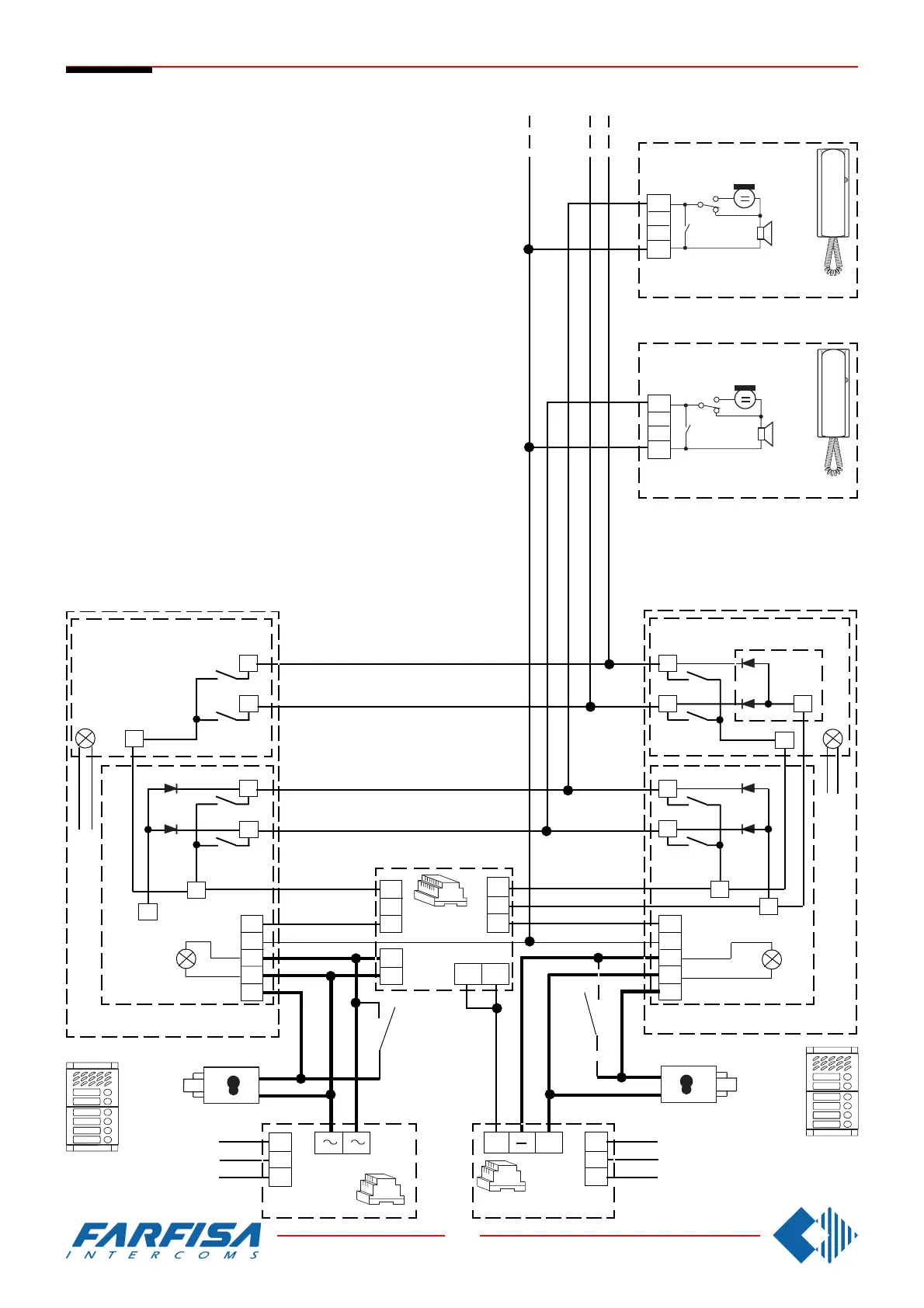
INTERCOMS CONNECTED TO TWO DOOR STATIONS SERIES
MODY WITH AUTOMATIC SWITCHING (1+1 system).
MEHRFAMILIENHAUS SPRECHANLAGE 1+n MIT ZWEI UM-
SCHALTBAREN TÜRSTATIONEN DER SERIE MODY.
1
3
CT2
P
P
E
241D
P
P
C
C
1
-
-
A
S
E
MD21 ÷ MD228
1
-
-
A
S
MD21 ÷ MD228
P
P
C
MD10ED-11ED-12ED
MD10ED-11ED-12ED
SE
SE
6
7a
2
1
P
P
C
E
230V
127V
0
(optional)
1473
PRS 210
3
7
7b
230V
127V
0
PRS 210ED
(optional)
PA
" a "
" b "
1+1 intercom systems
Si 22MR/1
Sprechanlagen 1+n
PA
PT511E
C-
A
4
5
CT1
PT511E
1
3

Related product manuals