EasyManua.ls Logo

FARFISA INTERCOMS PT520W - Si 160: Wiring Diagram

Default Icon
50 pages
Print Icon
To Next Page IconTo Next Page
To Next Page IconTo Next Page
To Previous Page IconTo Previous Page
To Previous Page IconTo Previous Page
Loading...
27
8 GbD-02
4 + 1 intercoms
Sprechanlagen 4 + n
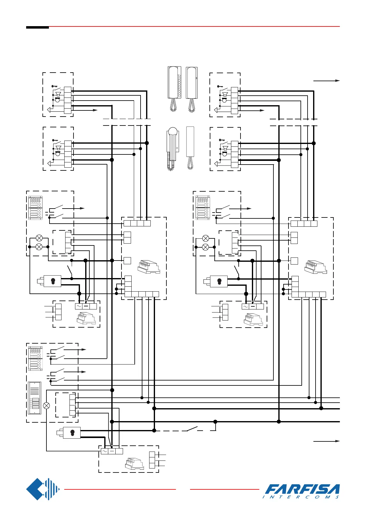
Si 160
INTERCOM SYSTEM WITH ONE MAIN ENTRANCE AND ADDITIONAL
ENTRANCES (RISERS OF BUILDINGS).
MEHRFAMILIENHAUS SPRECHANLAGE MIT NEBENTÜRSTATIONEN UND EINE GEMEINSAME
HAUPTTÜRSTATION (TREPPENHAUSUNTERTEILUNG).
1
2
3
4
PE
7a
8a
2
6789
5
2
1
3
6
0
127V
230V
AL
CT
xn
0
127V
230V
AL
PA
+
+
9a
1
3
5
4 7b8b9b
DS
1
2
3
4
PE
1
2
3
4
PE
7a
8a
2
6789
5
2
1
3
6
0
127V
230V
AL
CT
xn
+
9a
1
3
5
47b8b9b
DS
PA
PA
xn (B)
xn (A)
"C-D-"
MD
Mody
MDMD
Mody
SE
SE
SE
Mody
ErreP/R
xn
CT
xn
CT
"B""A" "C-D-"
5
2
1
3
6
5
2
1
3
6
924PV100
PT520
PT510

Related product manuals