EasyManua.ls Logo

FARFISA INTERCOMS PT520W - Si 210;5: Intercommunicating System Diagram

Default Icon
50 pages
Print Icon
To Next Page IconTo Next Page
To Next Page IconTo Next Page
To Previous Page IconTo Previous Page
To Previous Page IconTo Previous Page
Loading...
33
8 GbD-02
G2 7
AD
C+
+
P3
P4
6
P2
P1
7
5
3
2
1
P2
P4
P3
6
P1
7
5
3
2
1
P1
P4
P3
P2
6
7
5
3
2
1
6
P4
P3
P2
P1
7
5
3
2
1
P4
6
P3
P2
P1
7
5
3
2
1
CT4
+SP
CT5
+SP
CT3
+SP
CT2
+SP
CT1
+SP
230V
0
127V
AL
SE
4
3
2
1
xn
x4
x3
x2
1
2
3
4
PE
xn
x2
MD
PA
Mody
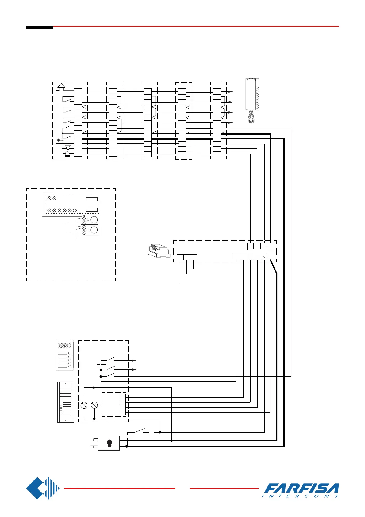
In all intercoms connect one of the two
terminals of the single button unit to
terminal 7.
In allen Haustelefonen muß eine der
Anschlußklemmen der Zusatztasten mit
der Klemme 7 verbunden werden.
Intercommunicating
Gegensprechanlagen
Si 210/5
5 INTERCOMMUNICATING INTERCOMS CONNECTED TO A DOOR STATION
WITH INDIVIDUAL CALL.
MEHRFAMILlENHAUS SPRECHANLAGE MIT 5 HAUSTELEFONE, EINER
TÜRSTATION UND INTERNEN GEGENSPRECHVERKEHR.
ErreP/R
9 7
2315P16
P2
P3

Related product manuals