EasyManua.ls Logo

FARFISA INTERCOMS PT520W - Si 120: 4+1 Intercom System Diagram

Default Icon
50 pages
Print Icon
To Next Page IconTo Next Page
To Next Page IconTo Next Page
To Previous Page IconTo Previous Page
To Previous Page IconTo Previous Page
Loading...
25
8 GbD-02
4 + 1 intercoms
Sprechanlagen 4 + n
98753
6
7a
8a
9a
1
2
3
4
4
2
1
7b
8b
9b
MD
DS
SE
SE
" a "
xn
+
AL
0
127V
230V
6
3
1
2
5
CT
CT
6
3
1
2
5
xn
*
PE
1
2
3
4
MD
" b "
xn
PE
PA
PA
ErreP/R
Mody
ErreP/R
Mody
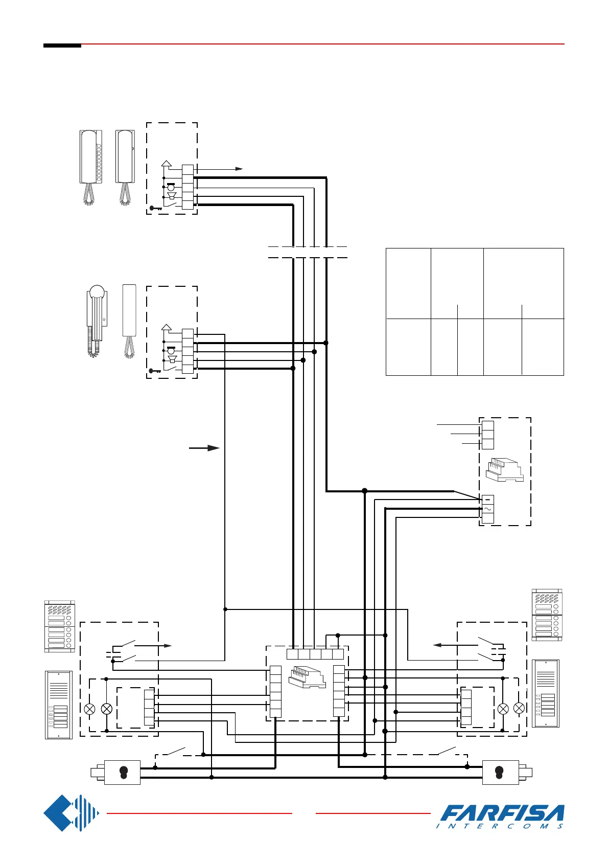
INTERCOMS CONNECTED TO TWO DOOR STATIONS WITH AUTOMATIC
SWITCHING.
MEHRFAMILIENHAUS SPRECHANLAGE MIT ZWEI UMSCHALTBAREN
TÜRSTATIONEN.
Si 120
PT520
924
PV100
PT510
CABLE CROSS SECTION
DURCHMESSER VERBINDUNGENSKABEL
50
100
200
300
mm²
0.25
0.35
0.5
0.75
mm²
0.5
1
2
2.5
door lock and ground
(cables in bold face type)
Türöffner und Masse
(Fettgedruckte
Leitungen)
distance
in metres
Entfernung
in Meter
audio line
and calls
Sprechweg
und
Rufleitungen
mm
0,5
0,7
0,8
1
mm
0,8
1,2
1,6
1,8

Related product manuals