EasyManua.ls Logo

Fassi F 240.24 - Danfoss Distributor Hydraulic Schematic

Default Icon
53 pages
Print Icon
To Next Page IconTo Next Page
To Next Page IconTo Next Page
To Previous Page IconTo Previous Page
To Previous Page IconTo Previous Page
Loading...
c XIV
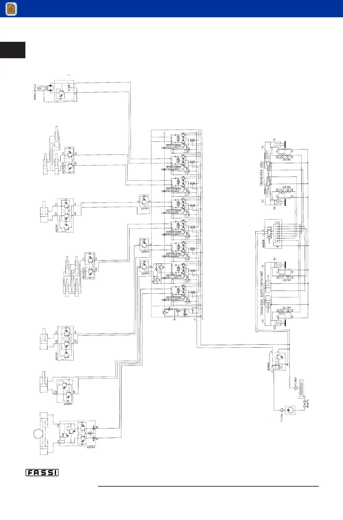
HYDRAULIC SCHEMATICS
F 240
36
Hydraulic schematics for crane - Danfoss distributor - load limiting device
View thousands of Crane Specifications on FreeCraneSpecs.com
View thousands of Crane Specifications on FreeCraneSpecs.com

Related product manuals