EasyManua.ls Logo

Ferm MSM1035 - Page 83

Ferm MSM1035
84 pages
Print Icon
To Next Page IconTo Next Page
To Next Page IconTo Next Page
To Previous Page IconTo Previous Page
To Previous Page IconTo Previous Page
Loading...
83
7
8
9
10
12
13
14
15
16
18
19
38
39
40
40
41
43
44
45
46
8
29
20
35
35
20
19
8
28
29
30
31
32
33
26
27
20
21
37
34
35
36
20
56
57
58
59
55
60
61
62
63
64
71
72
73
74
75
76
77
80
81
82
83
84
85
86
87
88
89
90
91
92
93
94
95
96
97
98
99
100
104
105
106
107
108
109
110
111
112
113
99
30
29
66
67
68
69
70
115
116
117
118
119
120
121
122
123
124
125
126
127
128
129
130
132
133
20
53
54
20
24
148
149
149
42
37
64
65
78
79
1
1
23
7
8
9
11
22
49
25
47
48
42
7
131
51
7
114
118
20
20
35
39
147
146
145
144
143
142
141
140
139
138
137
136
135
134
20
35
67
50
150
151
42
52
53
54
55
20
102
103
101
17
152
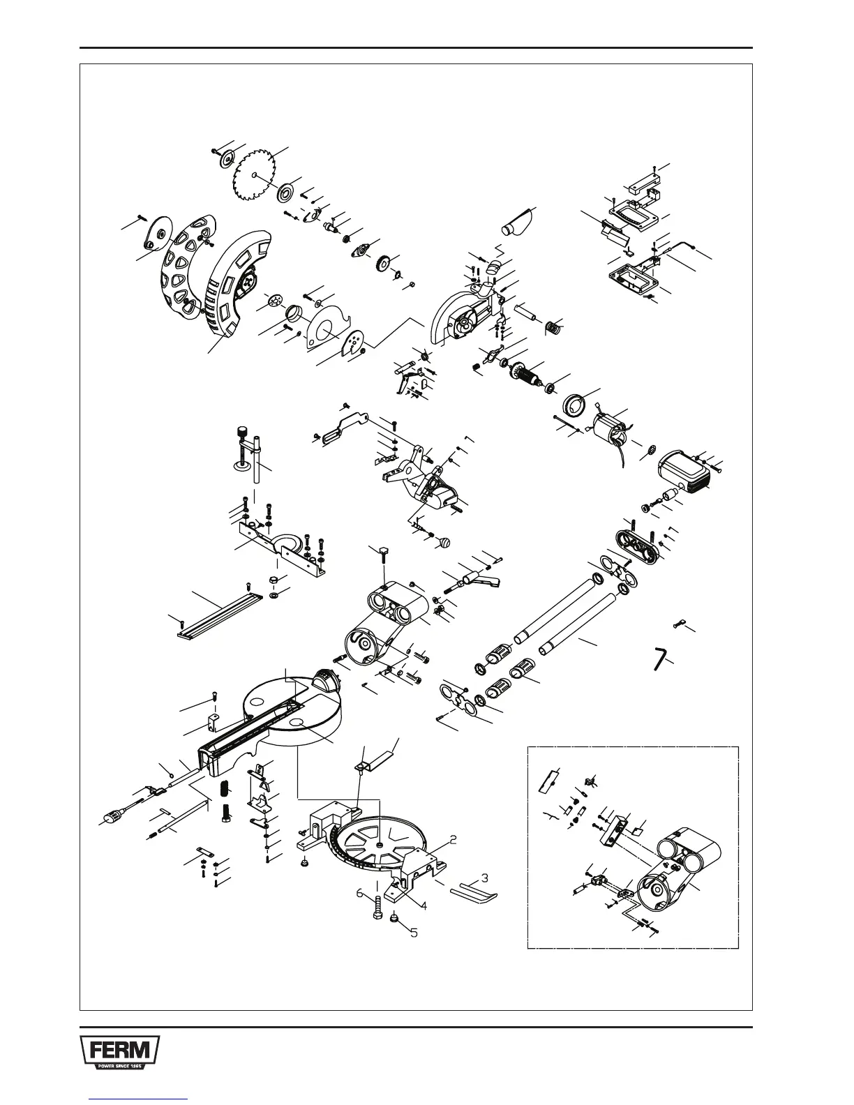
Exploded view

Related product manuals