EasyManua.ls Logo

Fermax iloft - Expansions

Fermax iloft
Print Icon
To Next Page IconTo Next Page
To Next Page IconTo Next Page
To Previous Page IconTo Previous Page
To Previous Page IconTo Previous Page
Loading...
Pag 17
Kit Halo & iLoftKit Halo & iLoft
Kit Halo & iLoftKit Halo & iLoft
Kit Halo & iLoft
Kit Halo & iLoftKit Halo & iLoft
Kit Halo & iLoftKit Halo & iLoft
Kit Halo & iLoft
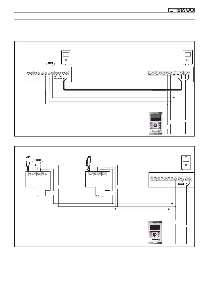
EXPANSIONS
The basic equipment for each home may be expanded with 2 telephones or 1 additional
monitor, with no need to add any power supplies.
Additional Monitor Connection
Additional Telephone Connection
Ct + MVMVF1
T
AL-F2
-
COAX
L
+
SW1
T
+
A
-
+L
F1F2
+
L
-
10 KOhm
SW1
T
+
A
-
+L
F1F2
+
L
-
75 Ohm
10 KOhm
Ct + MVMVF1
T
AL-F2
-
Ct + MVMVF1
T
AL-F2
COAX
L
+
75 Ohm
HIGH RESOLUTION
CCD CAMERA
PAN &TILT
HIGH RESOLUTION
CCD CAMERA
PAN &TILT

Other manuals for Fermax iloft

Related product manuals