EasyManua.ls Logo

Ferroli divaproject C24 - Page 49

Ferroli divaproject C24
Print Icon
To Next Page IconTo Next Page
To Next Page IconTo Next Page
To Previous Page IconTo Previous Page
To Previous Page IconTo Previous Page
Loading...
DIVAPROJECT C24
49
FR
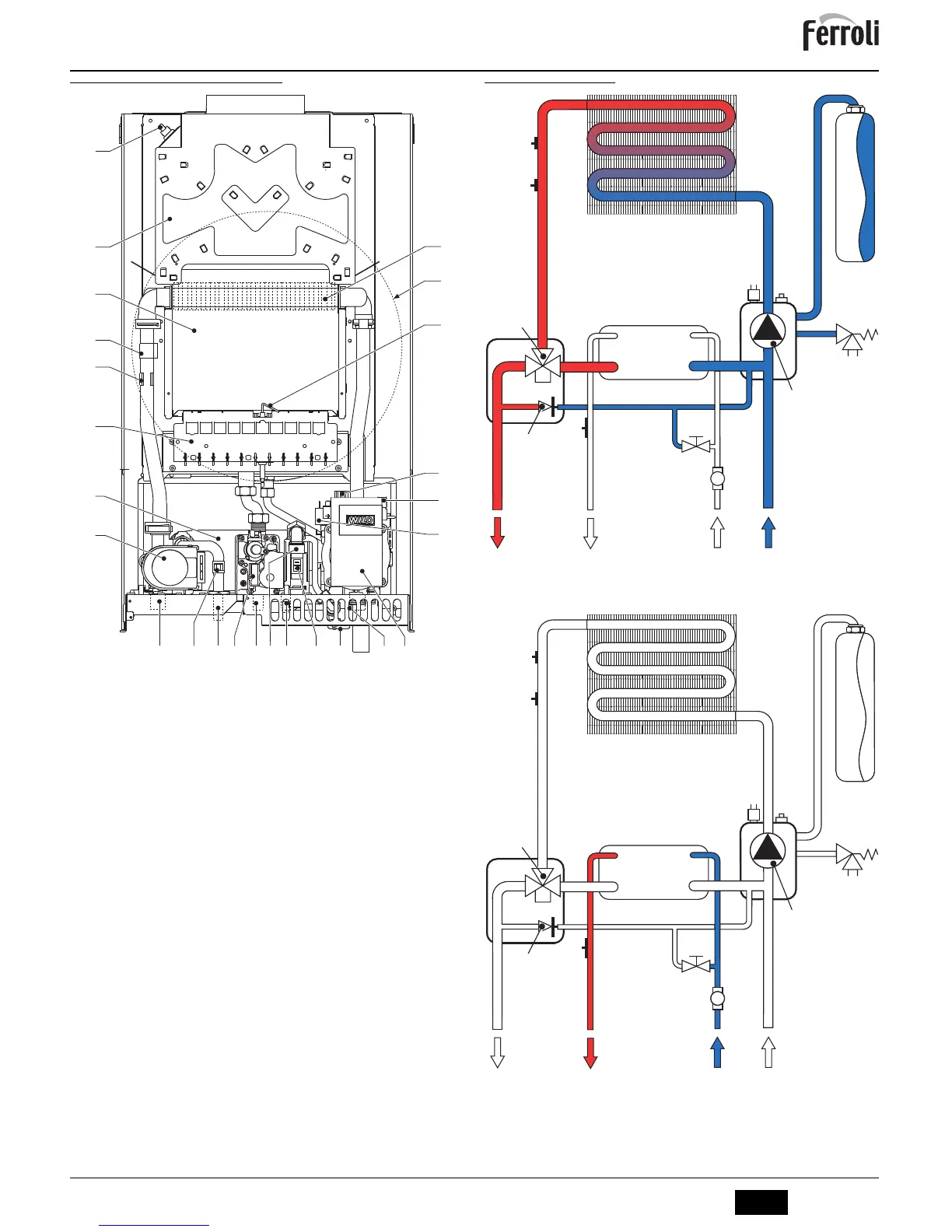
5.2 Vue générale et composants principaux
fig. 12 - Vue générale
5.3 Schémas hydrauliques
fig. 13 - Circuit chauffage
fig. 14 - Circuit sanitaire
44 32
114
36
14
27
56
78
95
42 38
37
10 8 7 9 11
194
39
22
126
34
81
19
49
74
56
27
14
32
38
1110 8
9
95
241 42
114 36
194
49
34
74
56
27
14
32
38
1110 8
9
95
241 42
114 36
194
49
34
74
FRG*5HY

Related product manuals