EasyManua.ls Logo

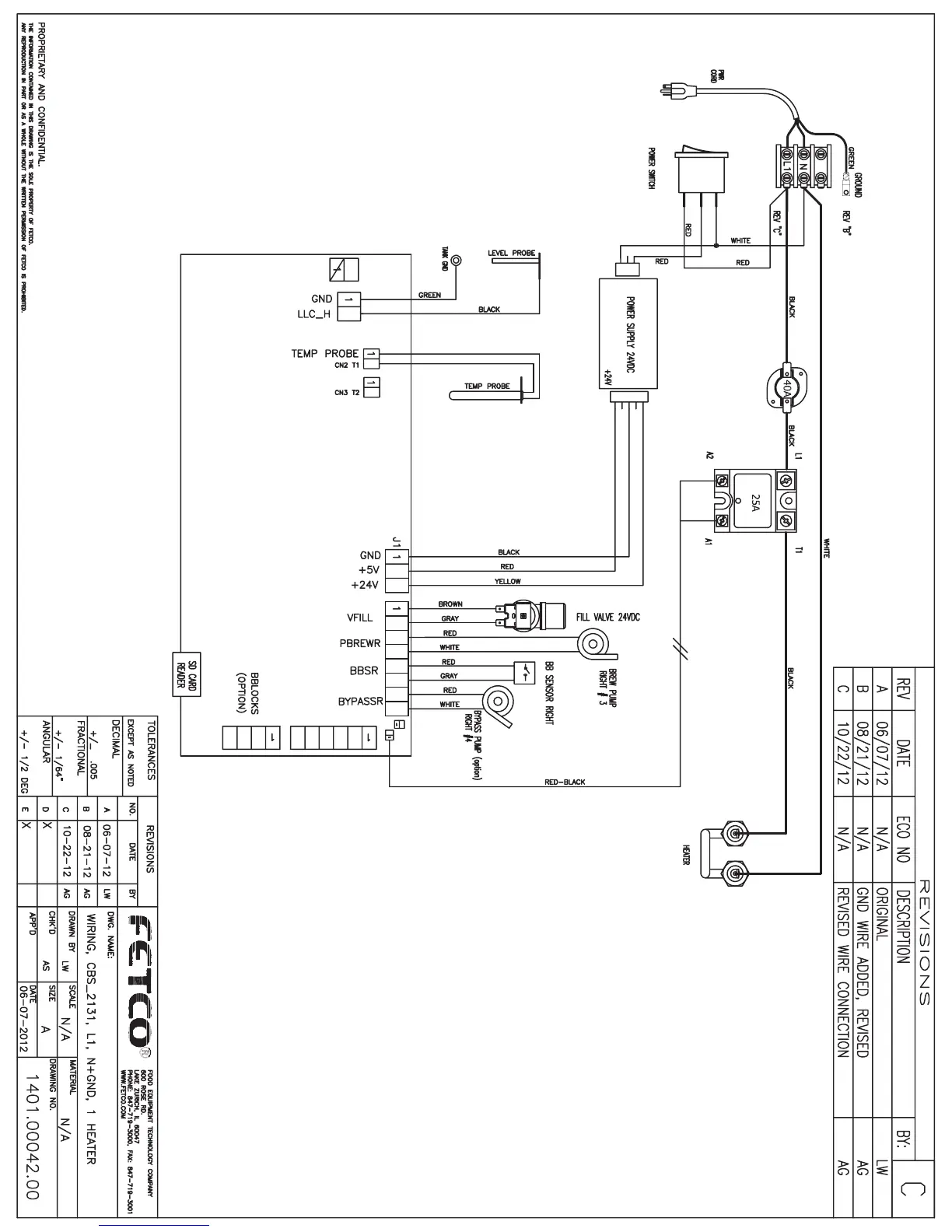
Fetco CBS-2131 - Wiring Diagrams

Fetco CBS-2131
34 pages
Print Icon
To Next Page IconTo Next Page
To Next Page IconTo Next Page
To Previous Page IconTo Previous Page
To Previous Page IconTo Previous Page
Loading...

Related product manuals