EasyManua.ls Logo

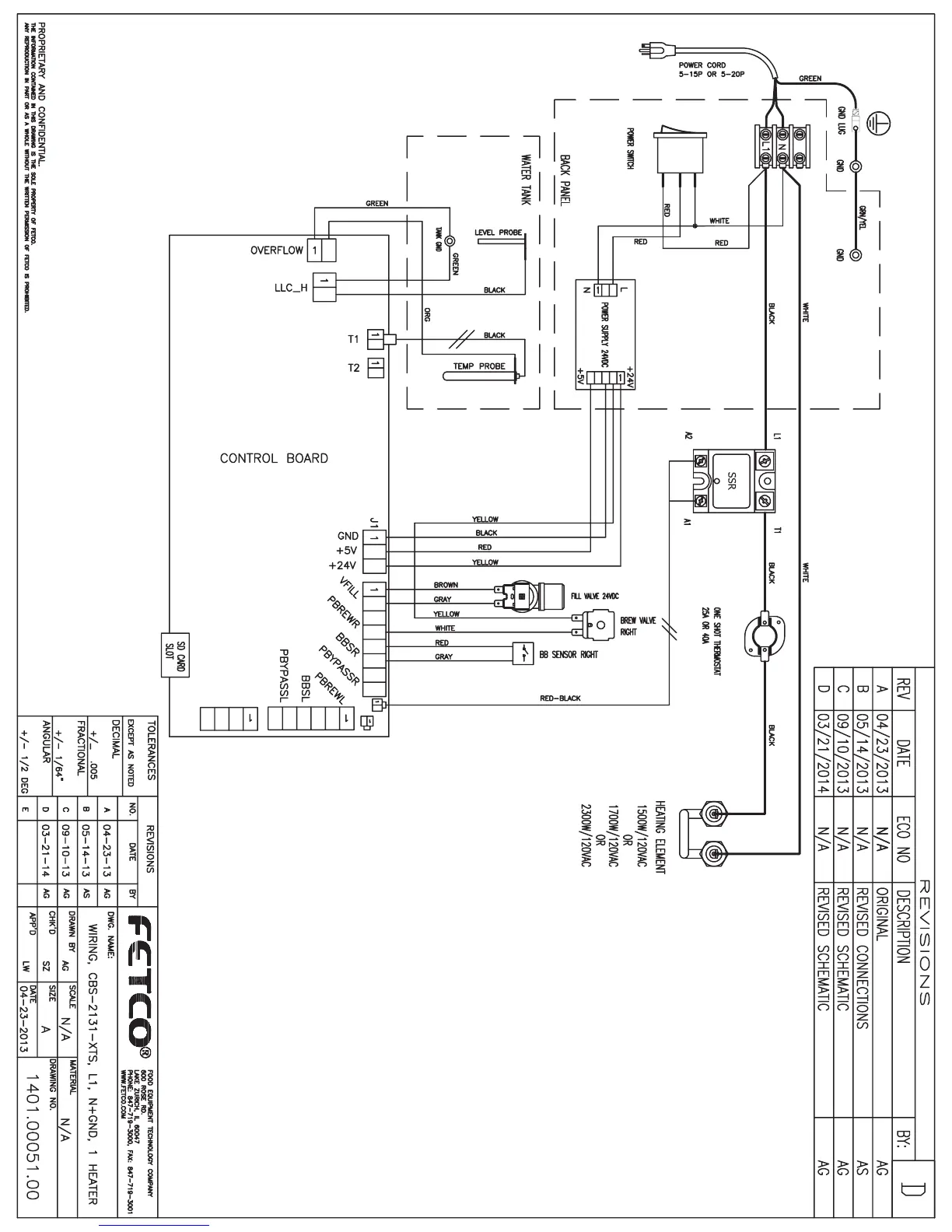
Fetco CBS-2131XTS - CBS-2131 XTS Wiring Diagram Details; USA Wiring Configuration

Fetco CBS-2131XTS
55 pages
Print Icon
To Next Page IconTo Next Page
To Next Page IconTo Next Page
To Previous Page IconTo Previous Page
To Previous Page IconTo Previous Page
Loading...

Related product manuals