EasyManua.ls Logo

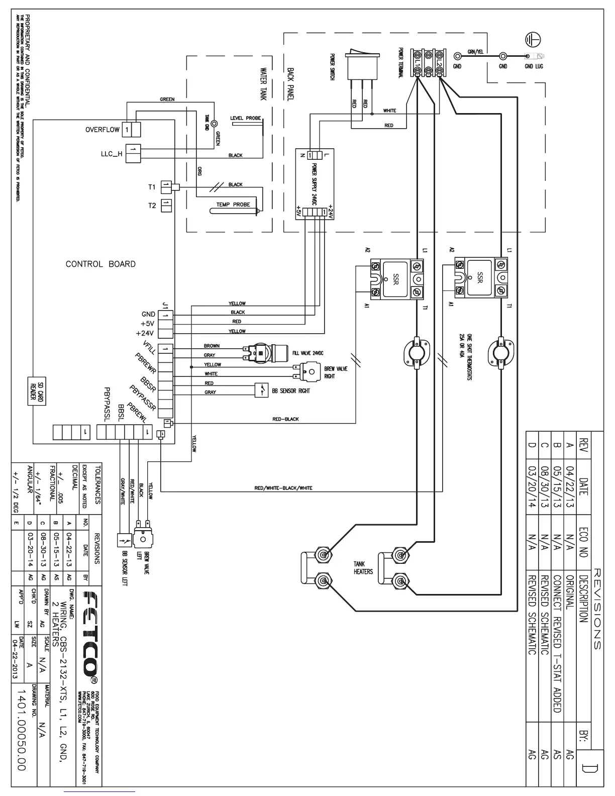
Fetco CBS-2131XTS - CBS-2132 XTS Wiring Diagram Details; North America Wiring Configuration

Fetco CBS-2131XTS
55 pages
Print Icon
To Next Page IconTo Next Page
To Next Page IconTo Next Page
To Previous Page IconTo Previous Page
To Previous Page IconTo Previous Page
Loading...

Related product manuals