EasyManua.ls Logo

Fiessler AKAS-3PM - Page 27

Fiessler AKAS-3PM
58 pages
Print Icon
To Next Page IconTo Next Page
To Next Page IconTo Next Page
To Previous Page IconTo Previous Page
To Previous Page IconTo Previous Page
Loading...
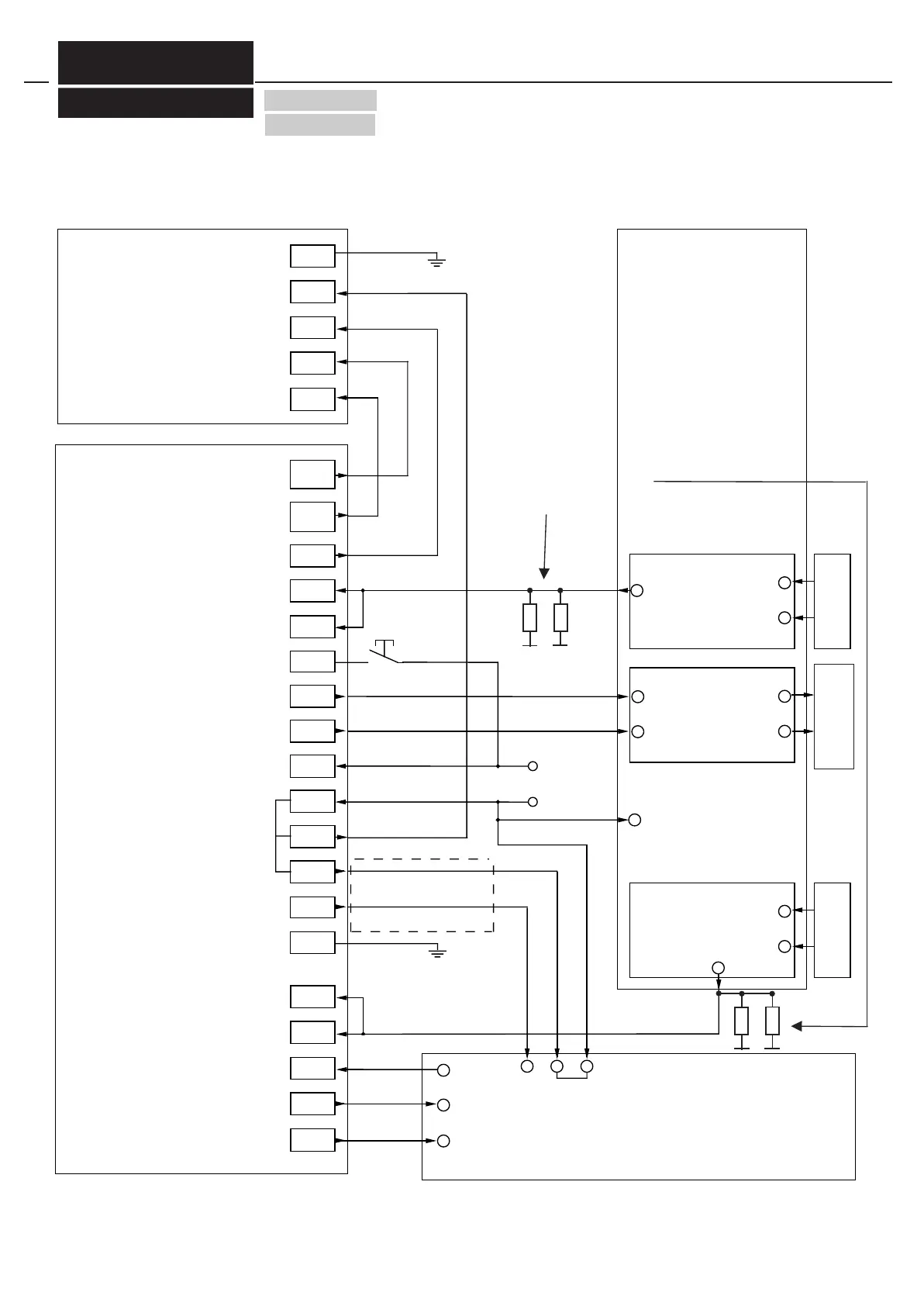
OSSD1
7h
OSSD2
8h
GND
12h
TXDA
13h
KAST
6h
FUO
5h
Sender
Motor -
2h
FUS
4h
+Ub Sender
3h
Sender
Motor+
1h
Kastenbiegetaster
+Ub
+24 VDC +-20%
+ Motor
Sendersupport
GND
11h
GND
10h
+24V
9h
RS 232 GND
Optional anzuschließen
+Ub Sender
RS 232 OUT
Funktionserde
Anforderung von Sicherheits-SPS
(z.B. FPSC)
+24V Presse schließen
0V Presse stop / öffnen
-Ub
Sicherheits-SPS
-Ub 0 VDC
14h
Erde
- Motor
Sendersupport
Meldeausgang
(Status- / Fehlermeldungen
Sicherheitsausgänge
+24V Schließhubfreigabe durch AKAS
0 V Schließhub gesperrt
Sicherheitssteuerung
z.B. Sicherheits-SPS
+ Motor
2
1
Erde
5
Anforderung für Kastenbiegen
+S
3
-S
4
SGA
4v
HUSP
5v
SGO
1v
Anforderung höherer Umschaltpunkt
durch AKAS für Kastenbiegen
(nur bei AKAS3)
SP
3v
SGS
2v
Eingänge Schleichgangstellung
Schleichgangstellungssignal
+24V bei Schleichgang
0V bei Eilgang
Schleichganganforderung durch AKAS
+24V = Eil- / Schleichgang möglich
0V = nur Schleichgang zulässig
Maschinensteuerung / NC
- Motor
AKAS® Sender
AKAS® Empfänger
-Ub Sender
Funktionserde
-Ub Maschinensteuerung
Schleichgangstellungs-
überwachung
Meldeeingang
Schließhubfreigabe-
überwachung
höherer Umschaltpunkt Kastenbiegen
(nur bei AKAS3)
Schleichgangansteuerung
Fußpedalüberwachung
Fußpedal
Schließhub-
ventile / Schütze
Ventilstellungs-
geber
Eingang Sicherheitspunkt/
Schleichgangbereich
Sicherheits-
punkt/
Schleich-
gangbereich
Electrical connections - Description / Wiring diagrams
6
-operation only with additional safety PLC (e.g.FPSC)
6.3
-with HEX switch position 00 00
wiring diagram 1/S.27
safety control,
e.g. Safety PLC FPSC
monitoring of the clo-
sing stroke release
position monitoring of
the slow speed
closing stroke val-
ves / contactors
valve position
monitors
foot pedal
foot pedal monitoring
- Ub safety PLC (e.g.FPSC)
functional ground
request by safety PLC (e.g.FPSC)
+ 24 V close press
0 V stop press/open
inputs slow speed position
+ 24 V at slow speed
0 V at fast speed
slow speed request by AKAS®
+ 24 V = fast/slow speed possible
0 V = only slow speed permitted
request for higher switch-over point by AKAS®
for box bending (only with AKAS®3)
safety outputs from AKAS® to the safety PLC
(e.g.FPSC)
+ 24 V = closing stroke release by AKAS®
0 V = closing stroke disabled
box bending request
box bending
button
AKAS®receiver
-Ub transmitter
+ Ub Transmitter
AKAS®transmitter
triggering of the slow speed
- Ub machine control system
machine control system / NC
message input
higher switch-over point box bending (only with AKAS®3)
Message output
Status / Error messages
to be connected as option
+ motor
transmitter support
- motor
transmitter support
functional ground
AKAS®-3PM
AKAS®-3PF
safety point /
blankingarea
input safety point / blanking area
FIESSLER
E L E K T R O N I K
in each case 2 x 330 Ω / 3W of resistances
only with PILZ PSS
Doku Nr. 1379 Stand 27.1.2017 /Aui
2
1