EasyManua.ls Logo

Firepower FP 125 - APPENDIX 3: FIREPOWER 125 SYSTEM SCHEMATIC

Firepower FP 125
60 pages
Print Icon
To Next Page IconTo Next Page
To Next Page IconTo Next Page
To Previous Page IconTo Previous Page
To Previous Page IconTo Previous Page
Loading...
FIREPOWER FP-125, 135, 165 APPENDIX
Manual 0-5123 A-6 Appendix
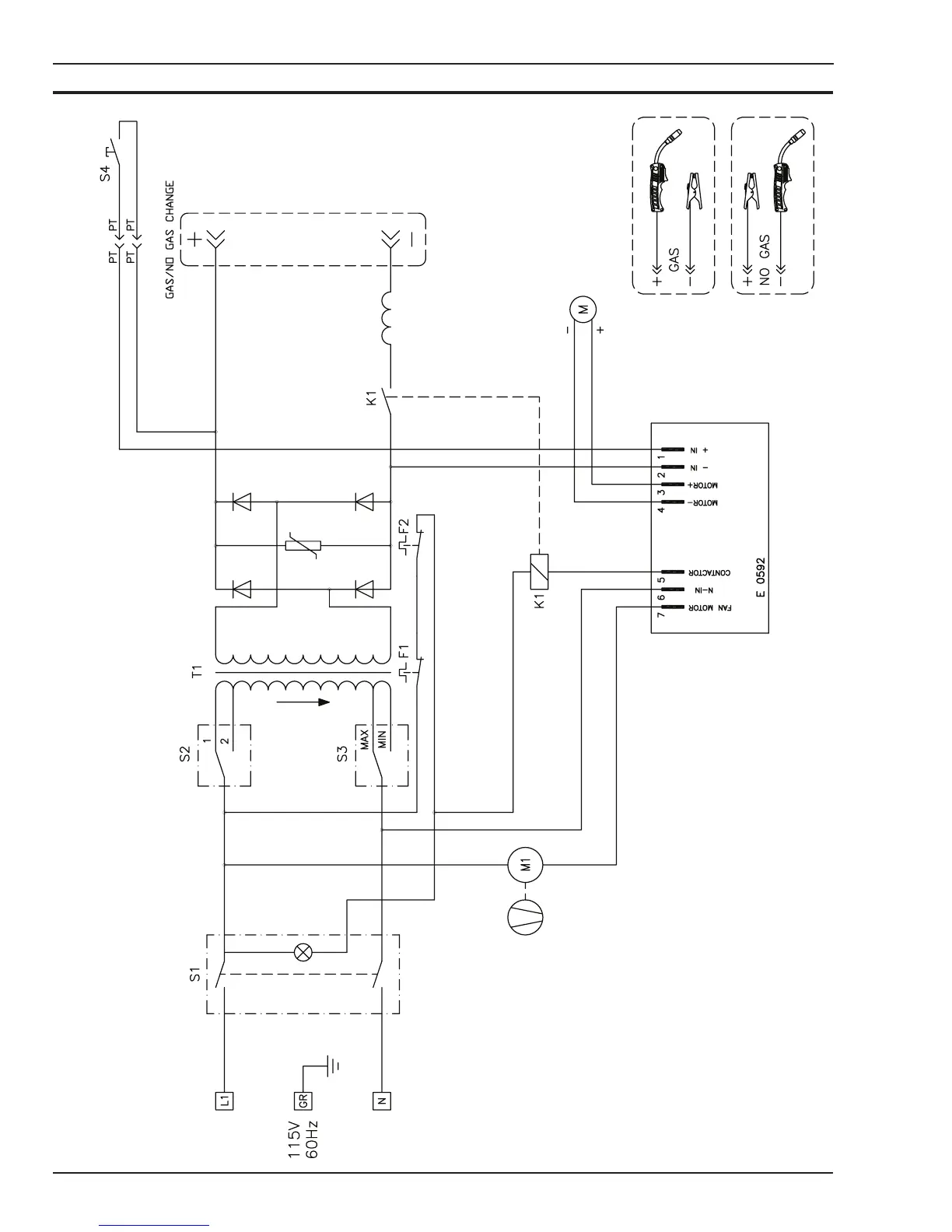
APPENDIX 3: FIREPOWER 125 SYSTEM SCHEMATIC
Art # A-09022

Table of Contents

Other manuals for Firepower FP 125

Related product manuals