EasyManua.ls Logo

Firepower FP 125 - APPENDIX 4: FIREPOWER 135 SYSTEM SCHEMATIC

Firepower FP 125
60 pages
Print Icon
To Next Page IconTo Next Page
To Next Page IconTo Next Page
To Previous Page IconTo Previous Page
To Previous Page IconTo Previous Page
Loading...
APPENDIX FIREPOWER FP-125, 135, 165
Appendix A-7 Manual 0-5123
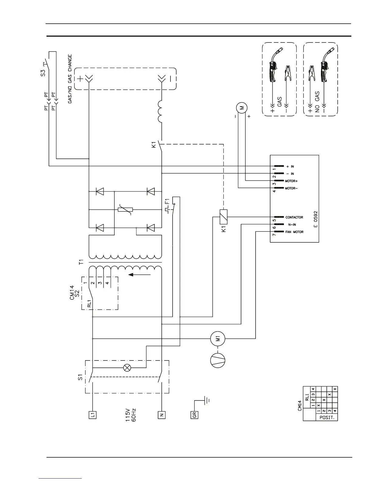
APPENDIX 4: FIREPOWER 135 SYSTEM SCHEMATIC
Art # A-09023

Table of Contents

Other manuals for Firepower FP 125

Related product manuals