EasyManua.ls Logo

Firepower FP-18 - Appendix III - Interconnecting Diagram

Default Icon
32 pages
Print Icon
To Next Page IconTo Next Page
To Next Page IconTo Next Page
To Previous Page IconTo Previous Page
To Previous Page IconTo Previous Page
Loading...
Firepower FP-18 Plasma Cutter 26 Service Manual 0-2692
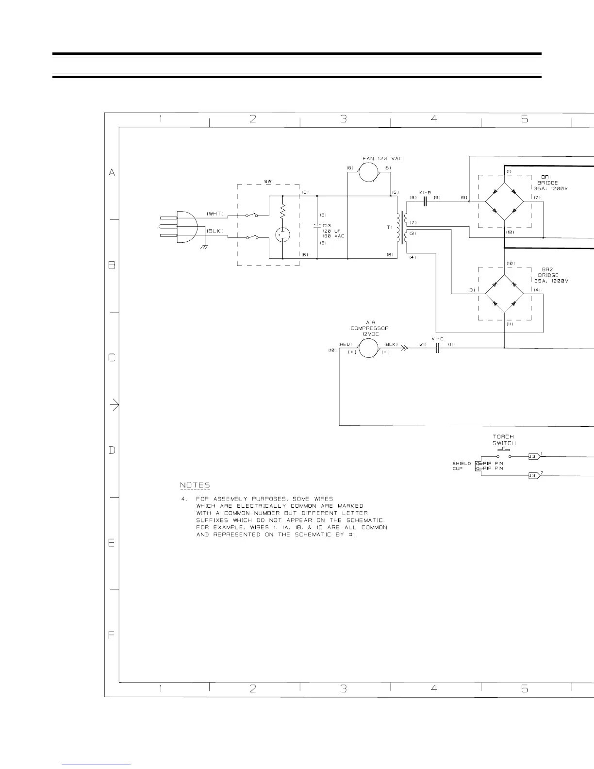
APPENDIX III - INTERCONNECTING DIAGRAM
A-02361

Related product manuals