EasyManua.ls Logo

Fireye M4RT1 - Page 10

Fireye M4RT1
12 pages
Print Icon
To Next Page IconTo Next Page
To Next Page IconTo Next Page
To Previous Page IconTo Previous Page
To Previous Page IconTo Previous Page
Loading...
10
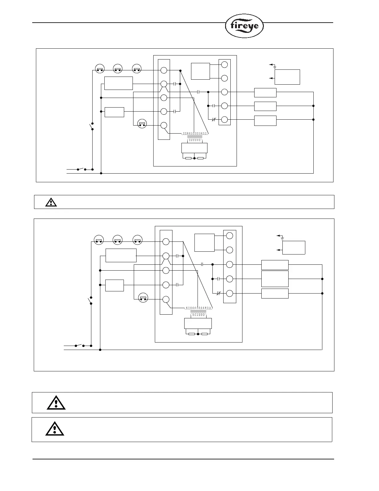
FIGURE 1. TYPICAL WIRING ARRANGEMENT FOR PILOT IGNITED BURNER.
Use moisture resistant wire suitable for at least 90C.
CAUTION: When powered, 260 VAC across S1, S2.
FIGURE 2. TYPICAL WIRING ARRANGEMENT FOR DIRECT SPARK IGNITED BURNER
Use moisture resistant wire suitable for at least 90C.
CAUTION: When powered, 260 VAC across S1, S2.
CAUTION: Control wiring procedures which deviate from those shown in the diagrams may
bypass safety functions designed in the control. Check with the Fireye Representative before
deviating from the recommended wiring diagrams.
LIMIT
SWITCHES
OPERATING
CONTROL
FUEL
INTERLOCKS
7
BURNER MOTOR
OR
CONTACTOR
8
2
A
6
LOCKOUT
ALARM
KB
KA
AIR FLOW
SWITCH
ELECTRONIC
CIRCUIT
KL KF
S1
S2
3
5
4
FLAME
AMPLIFIER
KL-1
KF-1
KF-2
PILOT
MAIN
SPARK
BURNER
CONTROL
SWITCH
H
N
120V (MC120))
60 Hz
SUPPLY
DISCONNECT MEANS
& OVERLOAD
PROTECTION REQUIRED
FLAME ROD
FUEL VALVE
IGNITION
GAS VALVE
LIMIT
SWITCHES
OPERATING
CONTROL
FUEL
INTERLOCKS
7
BURNER MOTOR
OR
CONTACTOR
8
2
A
6
LOCKOUT
ALARM
KB
KA
AIR FLOW
SWITCH
ELECTRONIC
CIRCUIT
KL KF
S1
S2
3
5
4
FLAME
AMPLIFIER
KL-1
KF-1
KF-2
PRIMARY MAIN
BURNER
CONTROL
SWITCH
H
N
120V (MC120)
60 Hz
SUPPLY
DISCONNECT MEANS
& OVERLOAD
PROTECTION REQUIRED
FLAME ROD
FUEL VALVE
SECONDARY
SPARK
MAIN FUEL
VALVE (IF USED)
IGNITION
FOR INTERMITTENT IGNITION, CONNECT
TO TERMINAL 3

Related product manuals