EasyManua.ls Logo

Fireye M4RT1 - Page 11

Fireye M4RT1
12 pages
Print Icon
To Next Page IconTo Next Page
To Next Page IconTo Next Page
To Previous Page IconTo Previous Page
To Previous Page IconTo Previous Page
Loading...
11
®
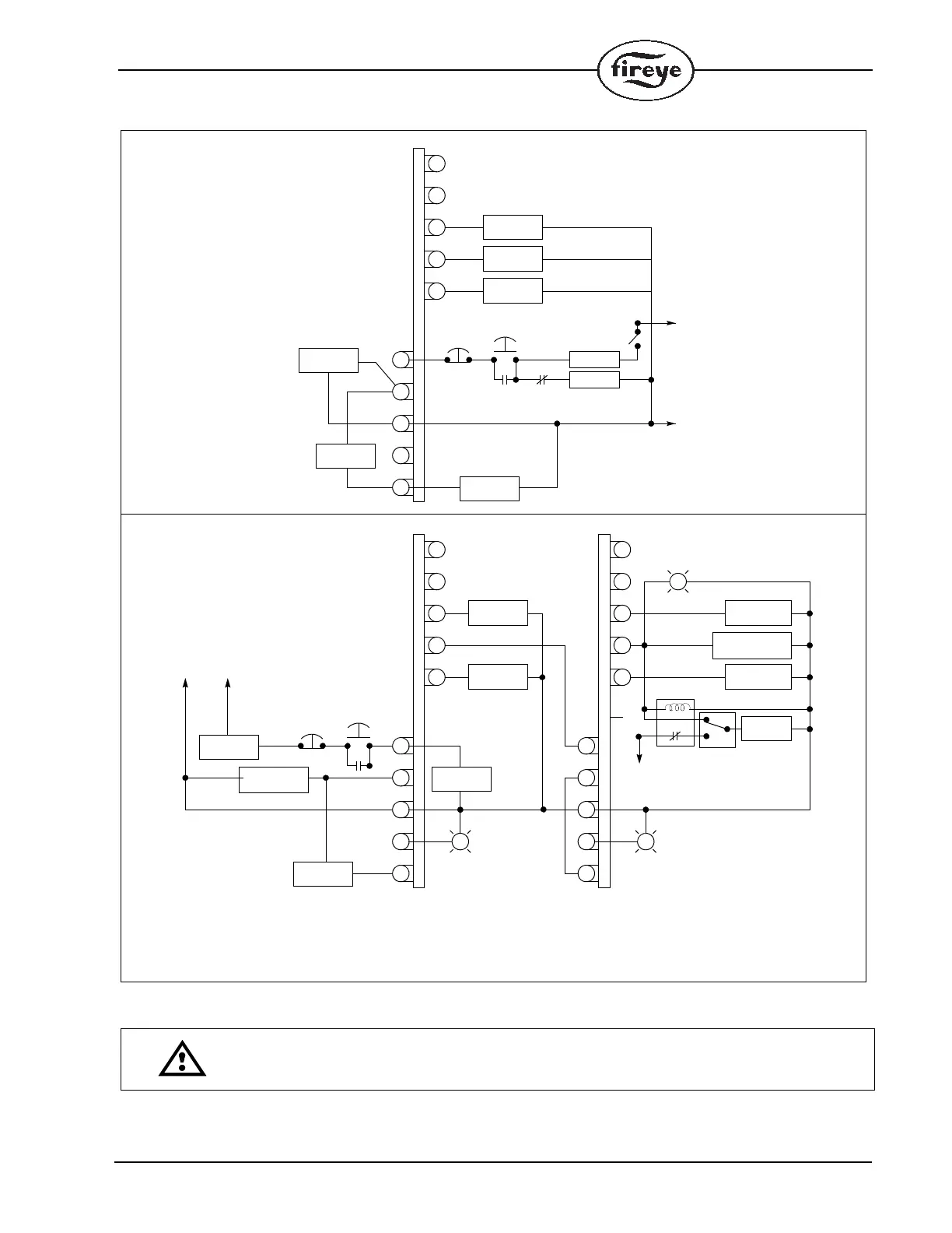
FIGURE 3. ALTERNATE WIRING ARRANGEMENT
Use moisture resistant wire suitable for at least 90C.
CAUTION: Control wiring procedures which deviate from those shown in the diagrams may
bypass safety functions designed in the control. Check with the Fireye Representative before
deviating from the recommended wiring diagrams.
S2
3
5
4
MAIN
IGNITION
7
8
2
A
6
STOP
PILOT
S1
START
LIMIT SW
FUEL VALVE
ALARM
ON-OFF
HOT
NEUTRAL
LR-1
LR-2
LATCH
AIR FLOW
SWITCH
MOTOR
A. FOR MANUAL START
A START-STOP STATION MAY BE ADDED TO REQUIRE
OPERATOR START-UP EACH TIME THE BURNER FIRES.
S2
3
5
4
IGNITION
7
8
2
A
6
PILOT
S1
B. MULTIPLE BURNER SYSTEMS
S2
3
5
4 IGNITION
7
8
2
A
6
PILOT
S1
LIMIT
R
MANUAL RESET
MAIN GAS VALVE
ALARM
S.P.D.T.
RA
ALARM SILENCE
SWITCH
G
R
STOP
START
LR-1
AIR FLOW
COIL OF MOTOR
CONTACTOR
LATCH
HOTNEUTRAL
MULTIPLE BURNER SYSTEMS UTILIZING SEMI-AUTOMATIC OPERATION INCORPORATE THE FIREYE
MODULAR M-SERIES II CONTROLS IN A CASCADING SEQUENCE WHEN PILOT #1 IS PROVEN. TRIAL
FOR IGNITION FOR PILOT #2 BEGINS. WHEN ALL PILOTS ARE PROVEN THE SAFETY SHUTOFF VALVE
MAY BE MANUALLY OPENED. FLAME FAILURE OF ANY BURNER WILL TRIP THE MAIN FUEL VALVE AND
SOUND ALARM.
THE TOTAL CONNECTED LOAD MUST NOT EXCEED THE RATING OF THE FIRST CONTROL.
VALVE
RELAY COIL
MAIN GAS VALVE
GAS VALVE
RELAY
GAS VALVE
SWITCH
SWITCH
HOT

Related product manuals