EasyManua.ls Logo

Firman P12002 - P12002_Manual_English_Page_37

Firman P12002
42 pages
Print Icon
To Next Page IconTo Next Page
To Next Page IconTo Next Page
To Previous Page IconTo Previous Page
To Previous Page IconTo Previous Page
Loading...
E
n,
...
C>
n,
·-
c
C>
C:
...
i
I
Cl)
,6,-'
Cl)
·-
...I
Cl)
,6,-'
...
n,
C.
I
Cl)
E
n,
...
C>
n,
C
Cl)
,6,-'
...
n,
C.
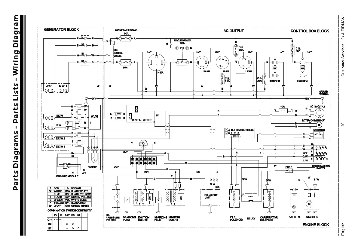
.----GENERATOR BLOCK : -CR:IIYIIOWBI AJ;OUTPUT CONTROLBOXBLOOC
' 50A
~------R~R
~---e-k@..i.
,1 r-f<-eR
1
i i
-w~w
I I
•M•
r
tti:::il-__ wFl
.Lr=-1-w
:=\-~ AVR
R +
i
Rf[ci=fR
"li==:1
8
I ....
\:11111"11,.MClcr,,.I
1~·~ , " ffil
~
'@
.,,,....,
(;;;;]
i..J
0
iao
"""""
,-------------R---------'p__j--{:~]-R-----2..(~
,------------B---------p------'t-----B~~
~---: + (
- :"'_':~1miB--1r
~
~
1
-
·i11 q
~
~~
~~J,
~
~b~~~
~- '.. . . ' '
--.- •• _ •• .r '~~-1 i I ~. ' I !
-··-·· ' - I ' JJ .. "
~~lllL
IG/W
i
r i
'r,17
'r __ ., L __
L__ o
COMBl~TION swnat CONTINUITY
; =; i •- i
!l! ,~,
I I
'M '
~
l__ -· _j
OIL
, =~AE :~NG ~LT~ ~~IHO ~["
1
r ~NOIO RELAY ~~~TOR
BATTERY STARTER
8T
L__ _ _ _ _ ____ _ __ _ _____ ___ __ ___ ___ __ __ _ _ _ _ _ _ _ __ _ __ ___ _____ ___ __ _ ENGINE BLOCK]
z
.,:
:.
~
LL
.,,
..,.
"?
<D
m
~
°'
cc
LU

Related product manuals