EasyManua.ls Logo

Fisher 685 - Page 14

Fisher 685
16 pages
Print Icon
To Next Page IconTo Next Page
To Next Page IconTo Next Page
To Previous Page IconTo Previous Page
To Previous Page IconTo Previous Page
Loading...
Instruction Manual
D103626X012
685 Piston Actuator
June 2017
14
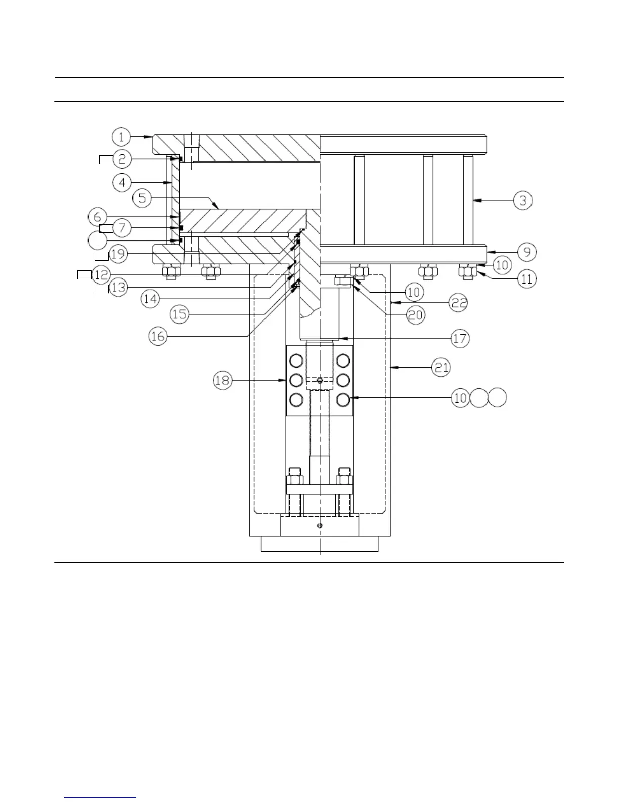
Figure 4. Fisher 685 without Manual Handwheel
2
E1566
100
100
100
100
100
57
58

Related product manuals