EasyManua.ls Logo

Fisher EHD - Page 24

Fisher EHD
40 pages
Print Icon
To Next Page IconTo Next Page
To Next Page IconTo Next Page
To Previous Page IconTo Previous Page
To Previous Page IconTo Previous Page
Loading...
EH Valves (NPS 8 through 14)
Instruction Manual
April 2009
24
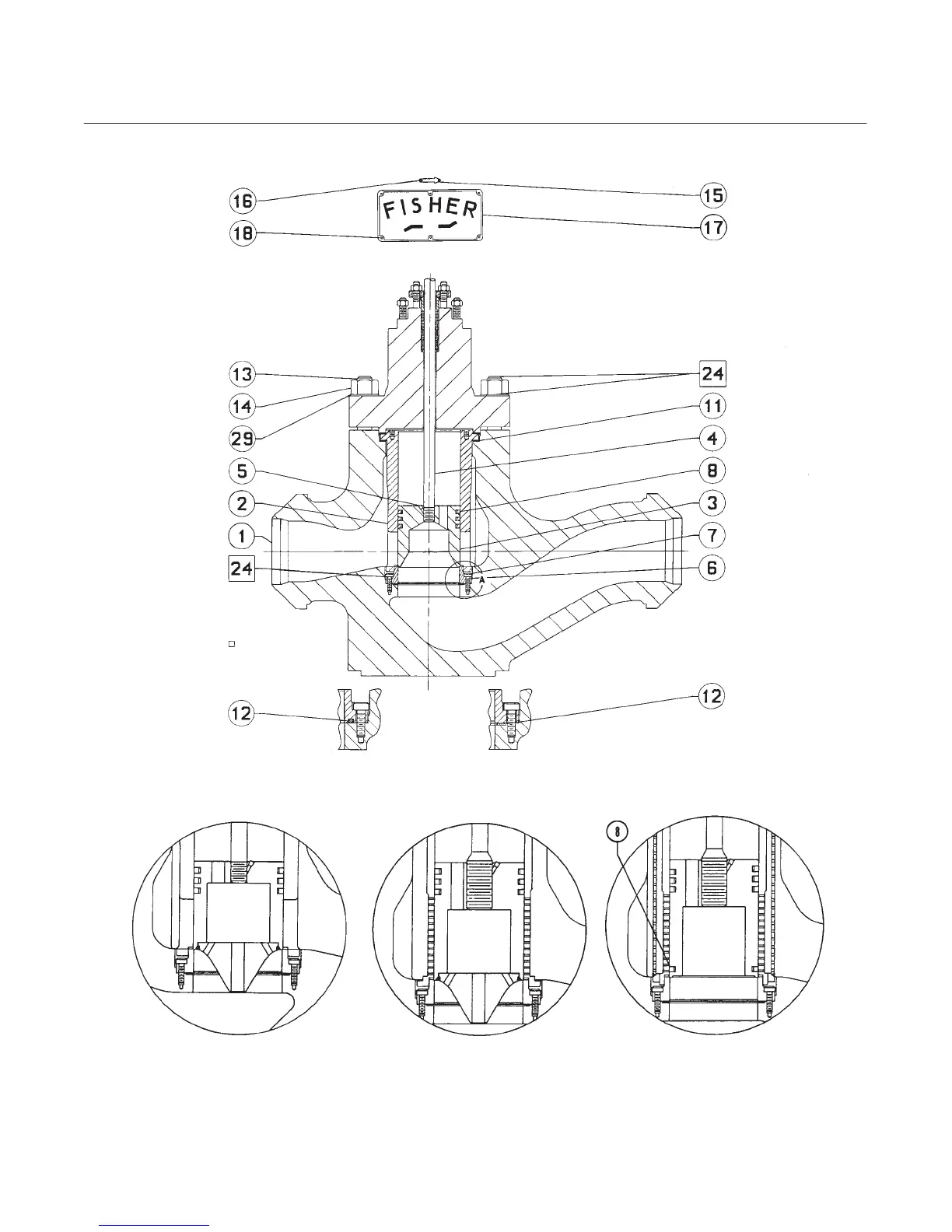
Figure 12. Fisherr EHD Valve
FLOW DIRECTION FOR ALL TRIMS EXCEPT THOSE WITH WHISPER TRIM III CAGES
O-RING
CONSTRUCTION
GASKET
CONSTRUCTION
VIEW A
APPLY LUBRICANT
59A9171-A / IL
COMPLETE VALVE SHOWING VALVE PLUG WITHOUT DIVERTER CONE
DIVERTER CONE DETAIL WHISPER TRIM
LEVEL A, B, OR C DETAIL
WHISPER TRIM
LEVEL D DETAIL
59A9172-A
C0632-1 / IL
59A9180-A / IL 59A9182-A / IL

Related product manuals