EasyManua.ls Logo

Fisher EHD - Page 25

Fisher EHD
40 pages
Print Icon
To Next Page IconTo Next Page
To Next Page IconTo Next Page
To Previous Page IconTo Previous Page
To Previous Page IconTo Previous Page
Loading...
EH Valves (NPS 8 through 14)
Instruction Manual
April 2009
25
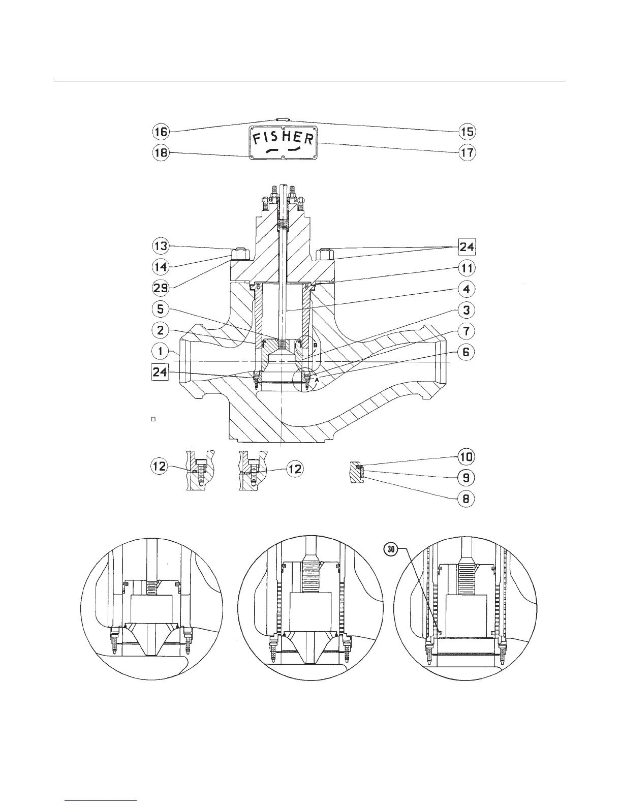
Figure 13. Fisherr EHT Valve
FLOW DIRECTION FOR ALL TRIMS EXCEPT THOSE WITH WHISPER TRIM III CAGES
O-RING
CONSTRUCTION
GASKET
CONSTRUCTION
VIEW A
APPLY LUBRICANT
59A9177-A / IL
COMPLETE VALVE SHOWING VALVE PLUG WITHOUT DIVERTER CONE
DIVERTER CONE DETAIL
WHISPER TRIM
LEVEL A, B, OR C DETAIL
WHISPER TRIM
LEVEL D DETAIL
59A9184-A / IL
59A9186-A / IL
59A9178-A
C0633-1 / IL
VIEW B

Related product manuals