EasyManua.ls Logo

Flowserve Pump - Parts List and Drawings; Standard Mark 3 Pump, Group 1

Flowserve Pump
68 pages
Print Icon
To Next Page IconTo Next Page
To Next Page IconTo Next Page
To Previous Page IconTo Previous Page
To Previous Page IconTo Previous Page
Loading...
MARK 3 USER INSTRUCTIONS ENGLISH 71569102 08-06
Page 59 of 68 flowserve.com
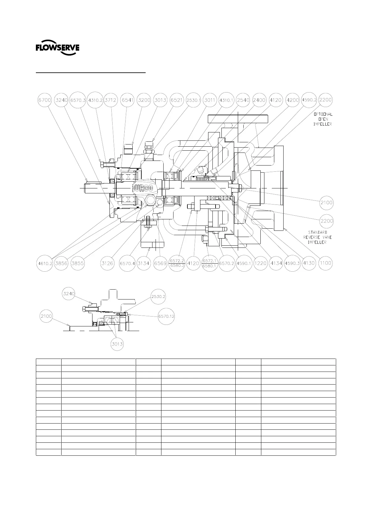
8 PARTS LIST AND DRAWINGS
8.1 Standard Mark 3 pump, Group 1
Optional duplex arrangement
Item Description
3200 Bearing housing 4610.2 O-ring - bearing carrier
1100 Casing 3240 Bearing carrier 6521 Plug - bearing housing vent
1220 Cover 3712 Bearing locknut 6541.1 Lockwasher - bearing
1340 Adapter - bearing housing 3855 Constant level oiler (not shown) 6569.1 Plug - bearing housing drain
2100 Shaft 3856 Sight gage - bearing housing 6570.12 Screw - clamp
2200 Impeller 4120 Gland 6570.2 Screw - cover/adapter
2400 Sleeve, optional 4130 Packing - optional 6570.3 Screw - bearing carrier set
2530.1 Retaining ring - bearing 4134 Seal cage packing optional, 6570.4 Screw - foot
2530.2 Retaining ring - clamp type 4200 Mechanical seal 6570.5 Screw - bearing housing
2540 Deflector - inboard optional 4310.1 Oil seal inboard 6572.1 Stud - casing
2541 Oil flinger - optional 4310.2 Oil seal outboard 6572.2 Stud - gland
3011 Ball bearing - inboard 4590.1 Gasket - cover 6580.1 Nut - casing
3013 Ball bearing - outboard 4590.2 Gasket - impeller 6580.2 Nut - gland
3126.1 Shim 4590.3 Gasket - Gland 6700 Key - shaft/coupling
3134 Support foot 4610.1 O-ring - adapter

Table of Contents

Related product manuals