EasyManua.ls Logo

Fluke PM6681 - Page 27

Fluke PM6681
153 pages
Print Icon
To Next Page IconTo Next Page
To Next Page IconTo Next Page
To Previous Page IconTo Previous Page
To Previous Page IconTo Previous Page
Loading...
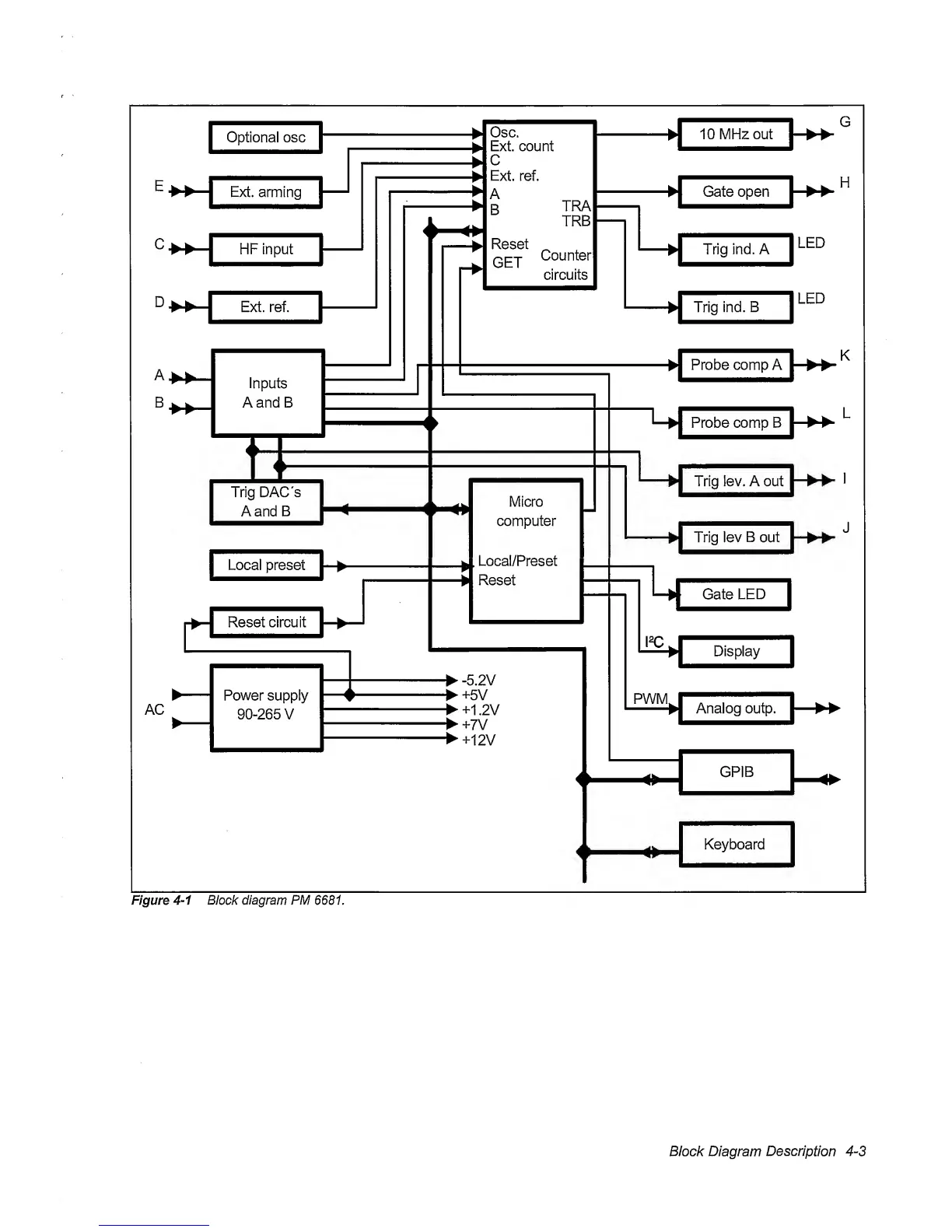
Block
Diagram
Description
4-3

Related product manuals