EasyManua.ls Logo

Fluke PM6681 - Page 35

Fluke PM6681
153 pages
Print Icon
To Next Page IconTo Next Page
To Next Page IconTo Next Page
To Previous Page IconTo Previous Page
To Previous Page IconTo Previous Page
Loading...
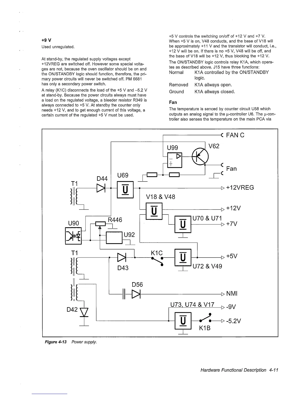
+9
V
Used unregulated.
At
stand-by,
the regulated supply
voltages
except
+12VREG are switched off. However some special volta-
ges are not, because the oven oscillator should be on and
the ON/STANDBY logic should
function,
therefore, the
pri-
mary power circuits will never be switched off. PM 6681
has only a secondary power switch.
A relay (K1C) disconnects the load of the
+5
V and
-5.2
V
at stand-by. Because the power circuits always must have
a load on the regulated voltage, a bleeder resistor R349 is
always connected
to
+5
V.
At
standby the counter
oniy
needs
+12
V, and to get enough current of this voltage, a
certain current of
the regulated
+5
V must be used.
+5
V
controls
the switching
on/off of
+12
V
and
+7
V.
When
+5
V is
on,
V48 conducts, and
the
base
of
VI
8 will
be approximately
+1
1 V and the
transistor will
conduct, i.e.,
+12
V will be on. If there is no
+5
V,
V48
will
be off,
and
the base of VI 8 will be
+12
V, thus blocking the
+12
V.
The
ON/STANDBY
logic
controls relay K1A, which
opera-
tes as described above. J15
have
three functions:
Normal K1A controlled
by the ON/STANDBY
logic.
Removed K1A allways
open.
Ground K1A allways
closed.
Fan
The temperature is senced by counter
circuit
U58
which
outputs an analog signal to the p-controller
U6.
The
p-con-
trolier
also senses
the
temperature on the main PCA
via
Hardware Functional
Description
4-11

Related product manuals