EasyManua.ls Logo

FOG 442 9020 - Page 49

Default Icon
72 pages
Print Icon
To Next Page IconTo Next Page
To Next Page IconTo Next Page
To Previous Page IconTo Previous Page
To Previous Page IconTo Previous Page
Loading...
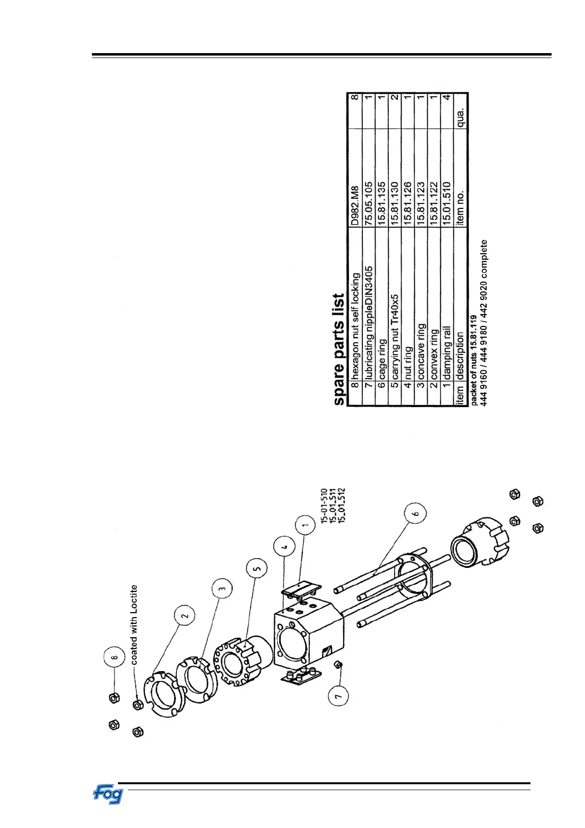
444 9160 / 444 9180 / 442 9020
49
E 219 GB - Issue 1

Related product manuals