EasyManua.ls Logo

Foif A20 - Base Station Setup with External Radio

Foif A20
61 pages
Print Icon
To Next Page IconTo Next Page
To Next Page IconTo Next Page
To Previous Page IconTo Previous Page
To Previous Page IconTo Previous Page
Loading...
Two tripods
supported
A20 User Manual
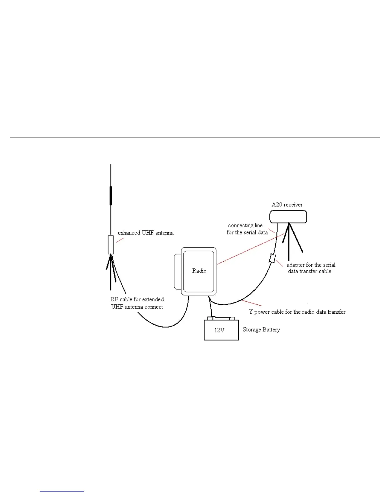
3.2 Setting Up Base Station by External Radio
8