EasyManua.ls Logo

Fortis RC-400A - Stabilizer Installation

Fortis RC-400A
28 pages
Print Icon
To Next Page IconTo Next Page
To Next Page IconTo Next Page
To Previous Page IconTo Previous Page
To Previous Page IconTo Previous Page
Loading...
10
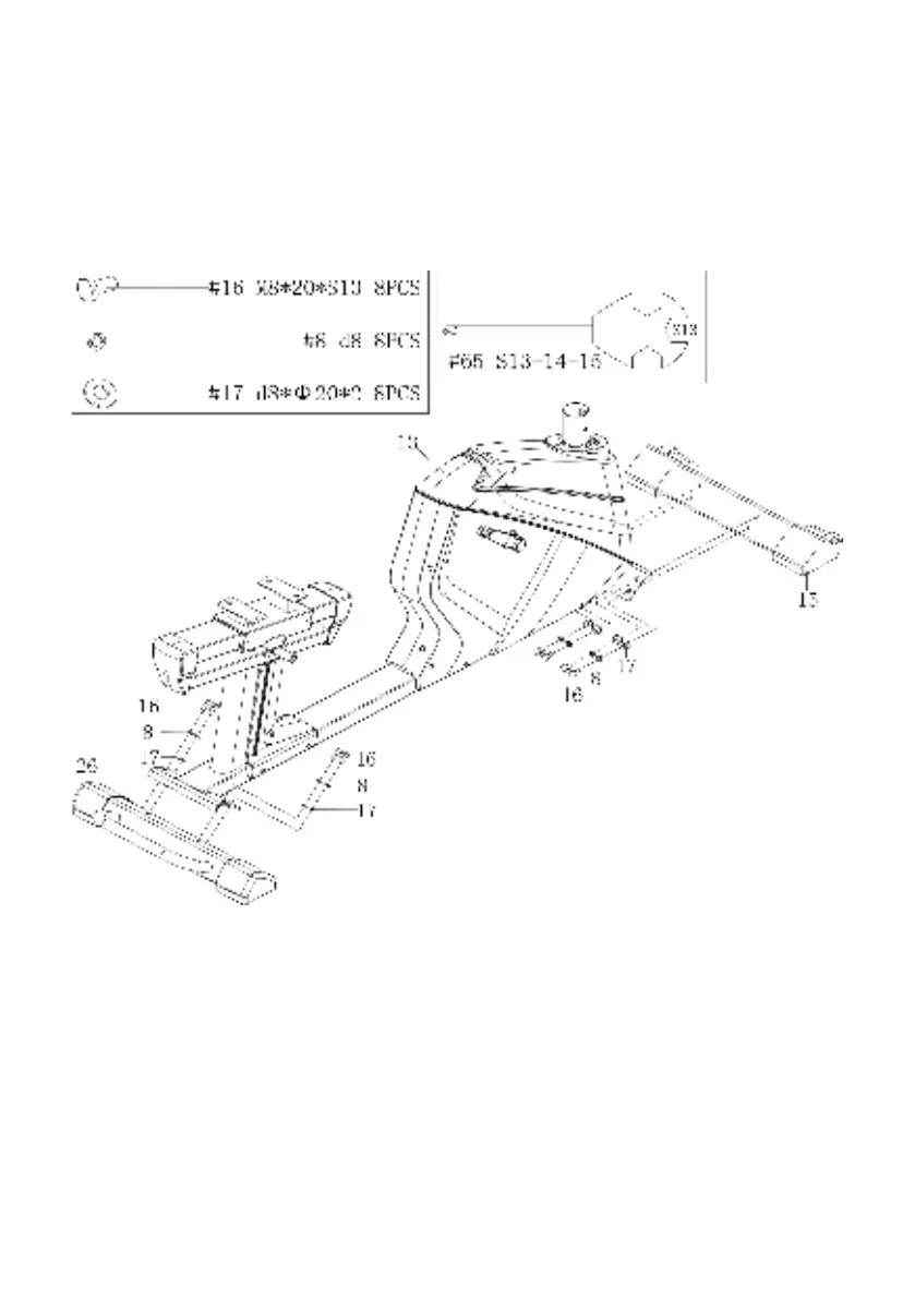
Step 2
Use the Wrench (65) to unscrew the x8 Hex Bolts (16) and take off the x8 Spring Washers (8)
and Washers (17). Set them aside for stabilizer attachment.
Assemble the Front Stabilizer (15) on the Main Frame (13) with x4 Hex Bolts (16), x4 Spring
Washers (8) and x4 Washers (17). Secure them with the Wrench (65). Assemble the Rear
Stabilizer (26) on the Main Frame (13) with x4 Hex Bolts (16), x4 Spring Washers (8) and x4
Washers (17). Secure them with the Wrench (65).

Related product manuals