EasyManua.ls Logo

Fortis RC-400A - Assembly; Mounting Plate Attachment

Fortis RC-400A
28 pages
Print Icon
To Next Page IconTo Next Page
To Next Page IconTo Next Page
To Previous Page IconTo Previous Page
To Previous Page IconTo Previous Page
Loading...
9
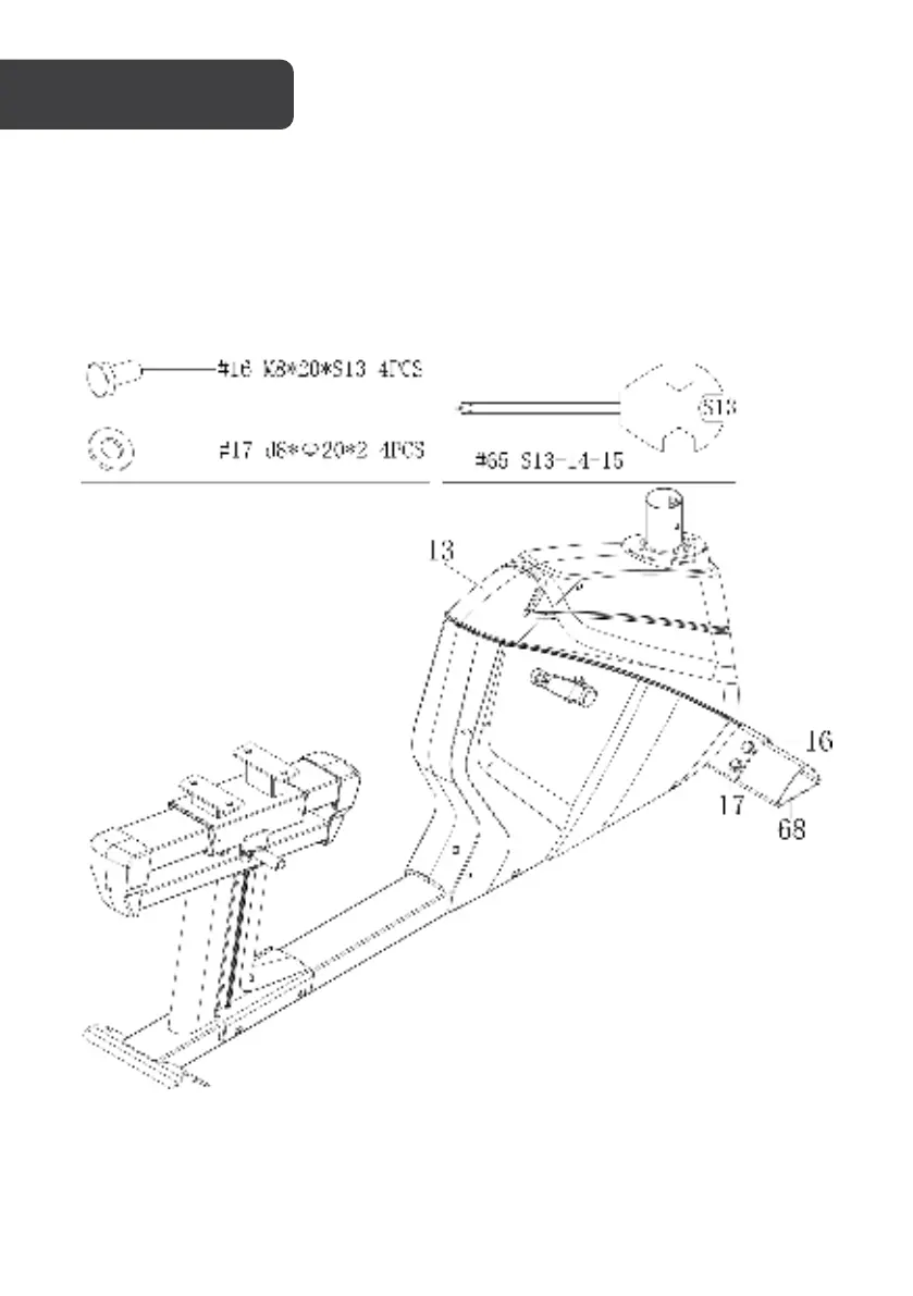
Step 1
Remove the x4 Hex Bolts (16) and x4 Washers (17) from the Mounting Plate (68) using the
Wrench (65).
Set the Hardware and the Mounting Plate (68) aside.
ASSEMBLY

Related product manuals