EasyManua.ls Logo

FPT F32 Series - External Egr E.C.u. Electrical Layout

Default Icon
162 pages
Print Icon
To Next Page IconTo Next Page
To Next Page IconTo Next Page
To Previous Page IconTo Previous Page
To Previous Page IconTo Previous Page
Loading...
38
SECTION 3 - INDUSTRIAL APPLICATION
F32 SERIES
Base - April 2009 Print P2D32F005 E
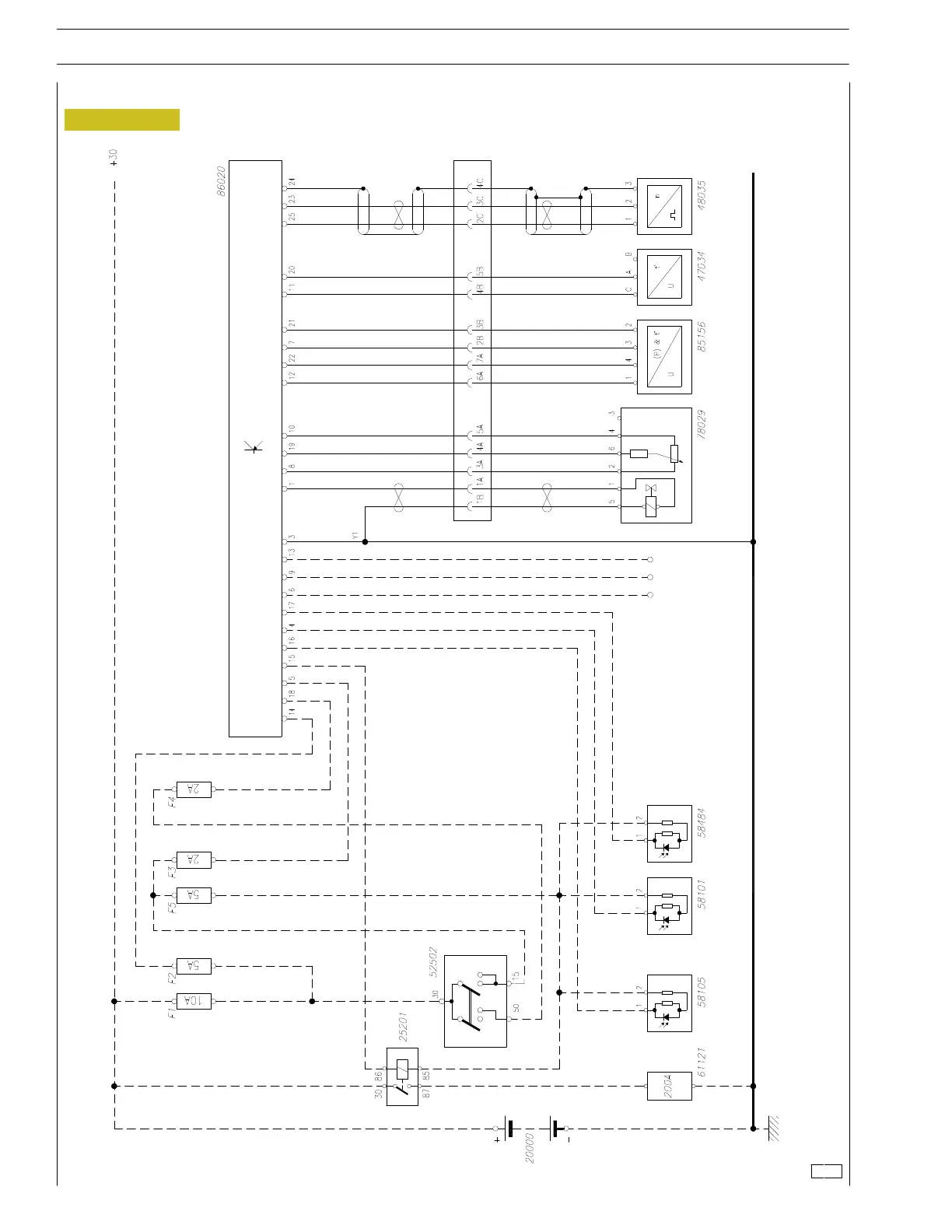
EXTERNAL EGR E.C.U. ELECTRICAL LAYOUT (for F5CE5454 engines)
119452
Figure 91
20000. Starter battery - 25301. Remote control for pre-heating switch - 48035. Engine rev. no. sensor - 52502. Key commutator for services with start - 61121.
Resistor for engine pre-heating - 58101. Pre-heating (on) warning light - 58105- Engine high water temperature warning light - 58.484. Diagnosis warning light -
47034. Engine water temperature sensor for EGR - 78029. EGR solenoid valve - 86020. EGR E.C.U. - 85156. Air pressure temperature sensor.

Table of Contents

Related product manuals