EasyManua.ls Logo

Freezimer DIM-30A - Circuit Diagram

Freezimer DIM-30A
30 pages
Print Icon
To Next Page IconTo Next Page
To Next Page IconTo Next Page
To Previous Page IconTo Previous Page
To Previous Page IconTo Previous Page
Loading...
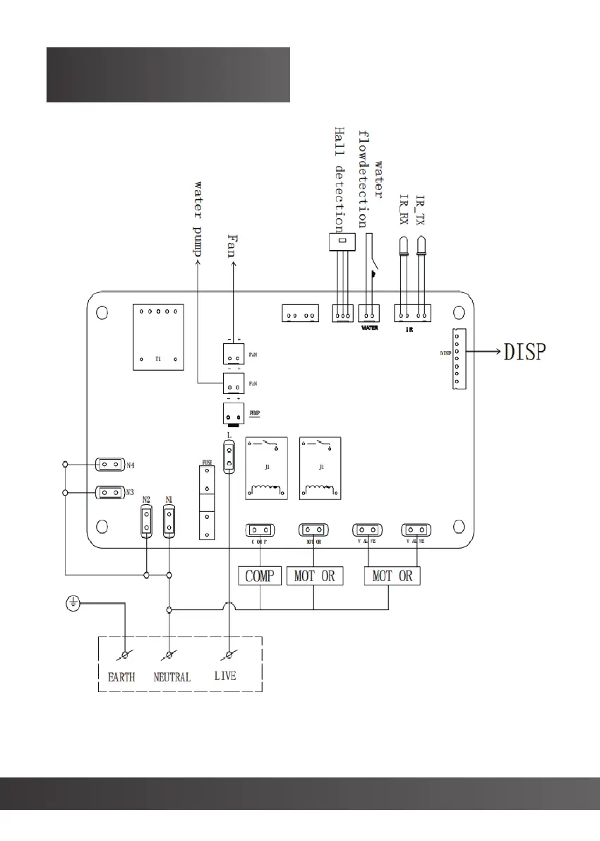
CIRCUIT DIAGRAM
www.freezimer.com
21

Related product manuals