EasyManua.ls Logo

freightliner MT45 2019 - Page 27

freightliner MT45 2019
89 pages
Print Icon
To Next Page IconTo Next Page
To Next Page IconTo Next Page
To Previous Page IconTo Previous Page
To Previous Page IconTo Previous Page
Loading...
27
2019 Amazon P80 Package Delivery Vehicle
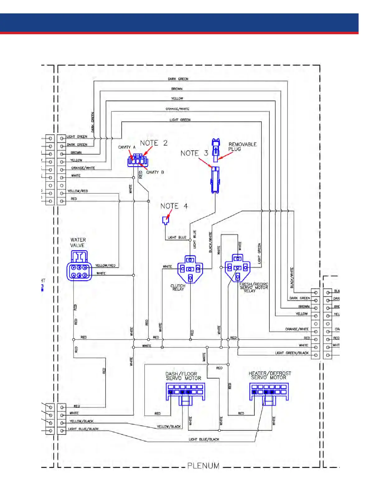
WIRING DIAGRAM (Enlargement 2 of 3)

Table of Contents