EasyManua.ls Logo

Frick QUANTUM 1 - Page 56

Frick QUANTUM 1
62 pages
Print Icon
To Next Page IconTo Next Page
To Next Page IconTo Next Page
To Previous Page IconTo Previous Page
To Previous Page IconTo Previous Page
Loading...
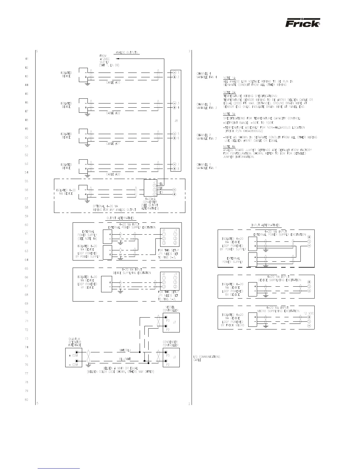
S90-555 M FRICK QUANTUM™ CONDENSER/VESSEL CONTROL PANEL
Page 56 MAINTENANCE
WIRING DIAGRAM – CONDENSER (Sheet 4 of 6)

Related product manuals