EasyManua.ls Logo

Frick QUANTUM LX - Page 70

Frick QUANTUM LX
80 pages
Print Icon
To Next Page IconTo Next Page
To Next Page IconTo Next Page
To Previous Page IconTo Previous Page
To Previous Page IconTo Previous Page
Loading...
QUANTUM
LX CONDENSER/VESSEL CONTROL PANEL
MAINTENANCE
090.560-M (MAY 2016)
Page 70
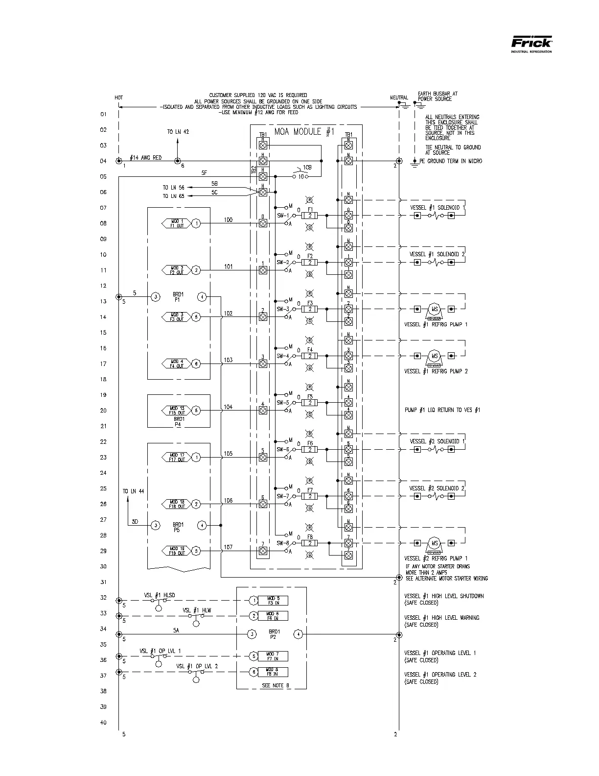
Vessel Digital Board 1 Inputs/Outputs (Page 1 of 3)

Other manuals for Frick QUANTUM LX

Related product manuals