EasyManua.ls Logo

Frick RWF 399 - P & I Diagrams

Frick RWF 399
56 pages
Print Icon
To Next Page IconTo Next Page
To Next Page IconTo Next Page
To Previous Page IconTo Previous Page
To Previous Page IconTo Previous Page
Loading...
RWF ROTARY SCREW COMPRESSOR UNITS
MAINTENANCE
S70-600 IOM
Page 37
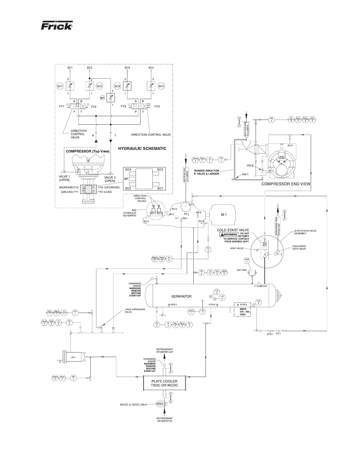
P & I DIAGRAM

Table of Contents

Related product manuals