EasyManua.ls Logo

Friedrich racservmn - Wiring Diagram - SQ Models

Friedrich racservmn
64 pages
Print Icon
To Next Page IconTo Next Page
To Next Page IconTo Next Page
To Previous Page IconTo Previous Page
To Previous Page IconTo Previous Page
Loading...
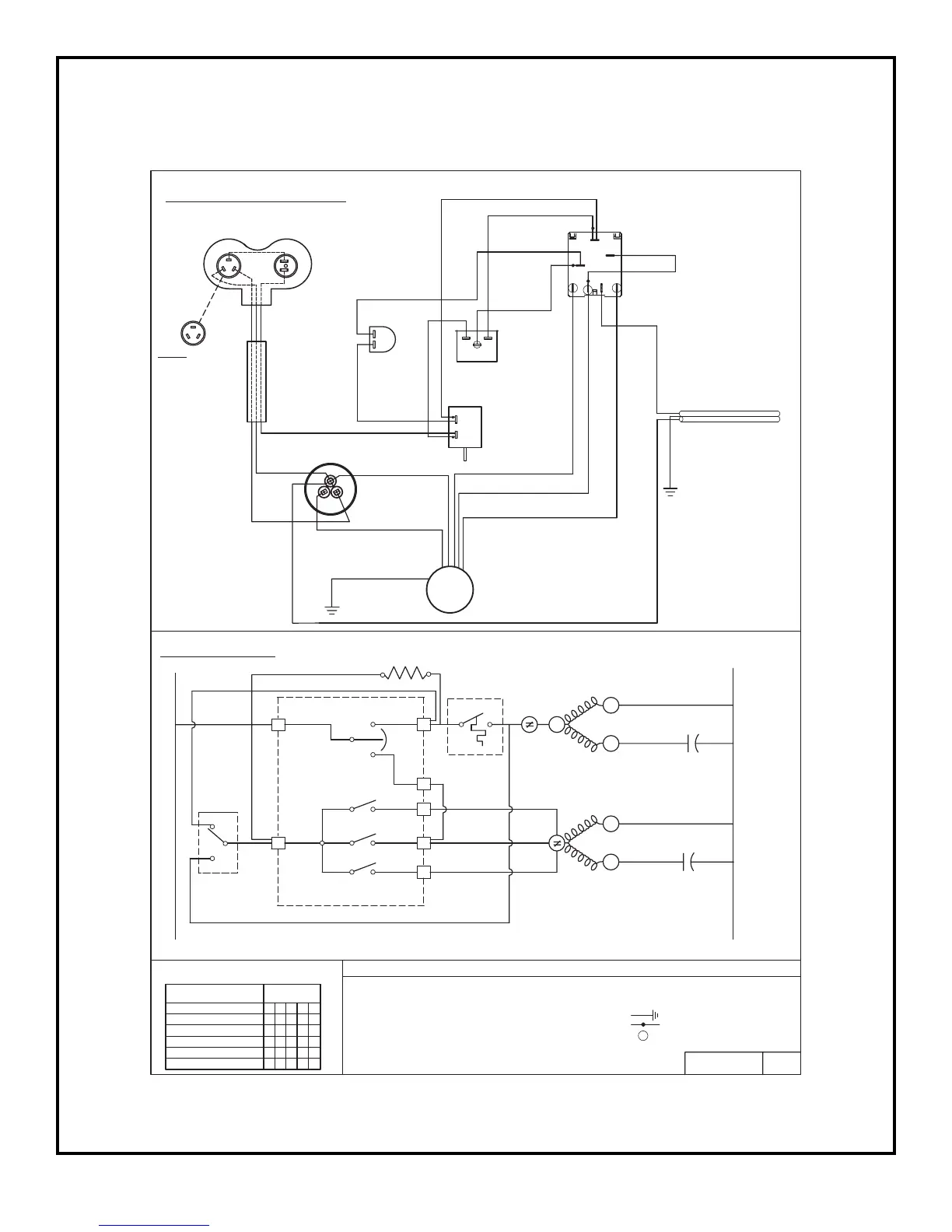
47
MODELS
SQ06J10B-B, SQ06J10B-A, SQ08J10C-A, SQ08J10D-A
GREY
HARNESS, COMPR.
COMPRESSOR
WHITE
BLUE
RESISTOR
ANTICIPATOR
CAPACITOR
BLUE
RED
HERM
C
FAN
BLACK
BROWN
WHITE
MOTOR MOUNT
TO INNERWALL/
GREEN
RED
BLUE
BLACK
2
L1
BLUE
RED
PURPLE
C
MS
L
M
SWITCH
BROWN
ROCKER (GE)
2
3
1
RED
SWITCH
H
BLUE
SMOOTH
CONDUCTOR
SYSTEM
SUPPLY CORD
BLACK
THERMOSTAT
2
1
BLUE
RED
FAN
MOTOR
BRACKET
TO CAPACITOR
GREEN
RIBBED CONDUCTOR
MS
M
L1
MS
NO
3
2
L1
1
AR
C
2
2
3
H
YES
1
SWITCH LOGIC
SYS SW
4
5
L
X = CLOSED
0 = OPEN
PART NO. REV.
- COMBINATION TERMINAL
MTR
COMPR
IDT
OVLD
OVLD
L2
CAP
HERM
C
L E G E N D
- MONEY SAVER/ROCKER SWITCH
- COMPRESSOR
- INDOOR THERMOSTAT
- SYSTEM SWITCH
- ANTICIPATOR RESISTOR
- FAN MOTOR
- OVERLOAD PROTECTOR
- CAPACITOR
CAP
MS
AR
SYS SW
OVLD
COMPR
MTR
IDT
CAP
FAN
C
- GROUND LEAD
- PLASTIC INSULATOR
619-142-15
01
NOTE:
OPTIONAL
CONFIGURATION
WIRING DIAGRAM
SCHEMATIC
SWITCH POSITION
LOW COOL
HI COOL
MED COOL
OFF
13245
CIRCUIT
XOOO
OO OO
XO
XO
XO
OX
X
O
O
O
FAN ONLY
OX OOO
2
1
C
MEDIUM
HIGH
R
S
R
LOW
S
C
R
"F"
"F"
S
"F"
S
C
R

Related product manuals