EasyManua.ls Logo

Friedrich racservmn - Page 60

Friedrich racservmn
64 pages
Print Icon
To Next Page IconTo Next Page
To Next Page IconTo Next Page
To Previous Page IconTo Previous Page
To Previous Page IconTo Previous Page
Loading...
60
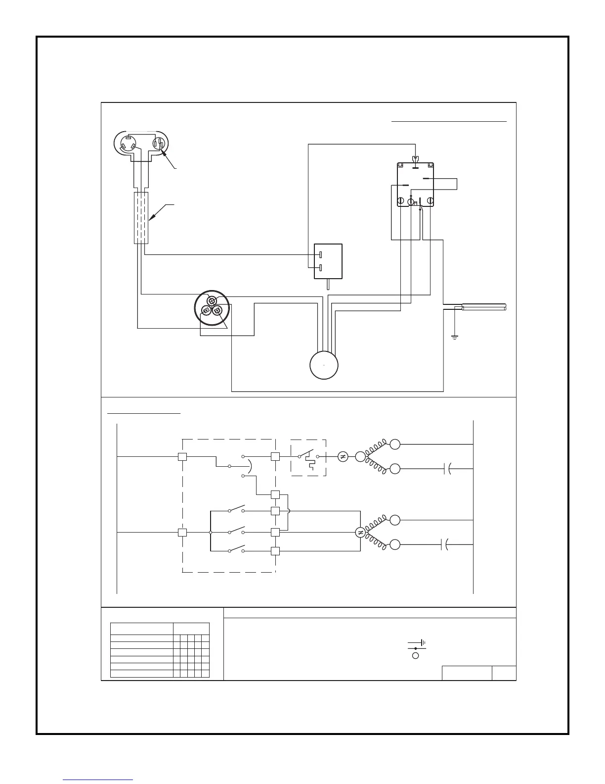
MODELS
WS07A10E-B, WS07A10E-C, WS10A10-A, WS12A10E-A,
WS09A30E-B, WS12A30E-A, WS15A30-A
WHITE (OR YELL0W)
BROWN
BLACK
BLUE
RED
CAPACITOR
FA
N
c
HERM
TO GROUNDING
SUPPLY CORD
SMOOTH CONDUCTOR
BROWN
SYSTEM SWITCH
BLUE
MS
PURPLE
C
2
BLACK
PURPLE
L
M
HL1
RED
THERMOSTAT
1
2
PURPLE
BLACK
RED
MOTOR
FAN
GREEN
RIBBED CONDUCTOR
SCREW
M
MS
L1
L1
1
C
2
2
3
H
SWITCH LOGIC
SYS SW
4
5
L
0 = OPEN
X = CLOSED
REV.PART NO.
- COMBINATION TERMINAL
(208/230 V)
(115 V)
MTR
COMPR
IDT
OVLD
OVLD
NEUTRAL
L2
CAP
HERM
C
L E G E N D
- OVERLOAD PROTECTOR
- FAN MOTOR
- SYSTEM SWITCH
- INDOOR THERMOSTAT
- COMPRESSOR
- CAPACITOR
CAP
SYS SW
OVLD
MTR
COMPR
IDT
CAP
FAN
C
- PLASTIC INSULATOR
- GROUND LEAD
617-581-14
00
WIRING DIAGRAM
SCHEMATIC
SWITCH POSITION
LOW COOL
MED COOL
HI COOL
OFF
54231
CIRCUIT
XOOO
OO OO
XO
XO
XO
OX
X
O
O
O
FAN ONLY
OX OOO
2
1
C
MEDIUM
HIGH
R
S
R
LOW
S
RED
BLUE
BLACK
COMPRESSOR
C
S
R
OVERLOAD
PROTECTOR
COMPRESSOR
WIRE HARNESS

Related product manuals